你来了
键盘扫描仪
键盘扫描仪
灵活的键盘扫描仪
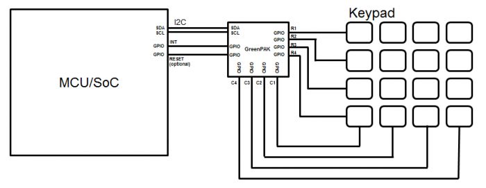
使用MCU或SoC扫描键盘对于人类输入来说不是一个理想的解决方案。将键盘扫描卸载到专用IC上通常是有意义的,这样可以减少更大、效率更低和更昂贵设备上的电源和I/O负担。使用GreenPAK™ 作为一个键盘扫描仪提供了一个灵活,可靠的解决方案,不会杀死您的电力预算或您的BOM成本。任何带I2C的GreenPAK都可以执行此功能,但使用GreenPAK的异步状态机(ASM)可以解锁全部电位,并支持多达54个键扫描。
键盘扫描的GreenPAK优势
- 灵活性
- GreenPak已综合延迟可编程按钮去反弹
- GreenPAK的ASM可以快速可靠地扫描20针设备中多达54个按钮
- GreenPak VDD为1.8至5.0 V.
- GreenPAK GPIO布线灵活,确保印刷电路板(PCB)布线的复杂性最低
- 能量消耗
- GreenPAK是低功耗的,在主微控制器(MCU)或片上系统(SoC)处于待机状态时,可以连续运行而不破坏电源预算
- 系统稳定性
- GreenPAK是零代码的——在硬件中实现特性可以确保稳定性
- GreenPak可以集成许多组件,确保更少的失败点
键盘扫描仪,庄严的设计
它是如何工作的?
1一旦通电,GreenPAK的ASM循环遍历每个状态,在1-hot配置中使用8位ASM输出向每行发送一个逻辑高电平。
2当按下一个键时,电路就完成了,相应的列输入端就会接收到高电平信号。然后,GreenPAK生成一个中断,停止ASM并通知MCU或SoC,MCU或SoC可以处于休眠模式以节省电源。
3.从这里,MCU或SOC需要简单地发送I2C读取命令来确定活动行和列并解码从该信息按下的密钥。
4完成I2C读取后,MCU或SoC可向GreenPAK发送复位信号,GreenPAK随后释放ASM继续扫描。


GreenPAK通常可以实现多种功能。只需一个GreenPAK设备就可以实现键盘扫描器和其他功能,如胶水逻辑、定时调整、复位、电源排序、LED控制等,具体取决于设计要求和资源配置。
以下是几个GreenPak设备,可以执行键盘扫描功能。
| GreenPak部分号码 | 最大键 | 可编程淘汰赛 |
|---|---|---|
| SLG46533V / M. | 16 | 是的 |
| SLG46536V型 | 16 | 是的 |
| SLG46537V/米 | 54 | 是的 |