跳到主要内容

IW1600.

10W AC/DC Digital Controller with <10mW Stand-by Power, Integrated Active Start0up Circuit and Fast DLR

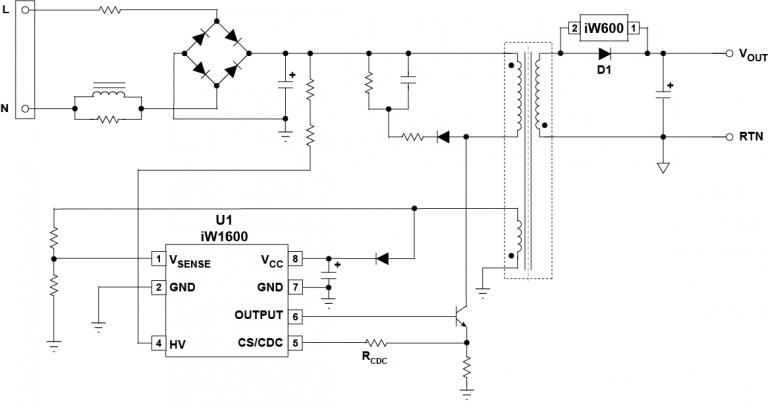
iw1600-typical-applications-diagram.jpg

专为高功率密度,紧凑,低成本离线10W电源

IW1600 PWM控制器适用于对话的IW600二级电压位置控制器,用于超快速动态负载响应,而PrimAccurate™初级侧控制消除了光耦合器的需求。

iW1600直接驱动BJT,与FET相比开关更软,改善了EMI,减少了EMI滤波元件的数量。

对于<10MW的无负载功耗,IW1600集成了活动启动电路,以进行最短的启动时间,而不会牺牲空载功耗。

全面的保护功能包括SmartDefender™ 先进的打嗝技术有助于解决软短路电缆和连接器。

配合iW600电压位置控制器用于超高速DLR

Features

10W Output Power

驱动外部低成本BJT

Integrated Active Start-up Circuit

轻松满足DoE外部电源和欧盟行为准则第5版Tier 2标准

  • <10MW无负荷功耗

Works with iW600 for Ultra-Fast Dynamic Load Response (DLR)

Quasi-Resonant Control Optimizes Efficiency at All Loads

初准™ -一次侧控制,无需光耦

User-Configurable Voltage Offset Compensation for Voltage Loss in Cables and Connectors (4 Options)

EZ-EMI公司™ 设计易于满足全球电磁干扰规范

SmartDefender公司™ 智能打嗝技术

  • 帮助在电缆中的软短路址,连接器无闭锁
  • 通过将短路期间的平均功率至少降低50%,有助于保护电缆和连接器免受过热和损坏

Fully Protected from Fault Conditions

  • 过温保护
  • 输出过压、过流
  • Input Under-Voltage Protection
  • Sense-Resistor Short Circuit Protection

雷竞技安卓下载

用于智能手机和平板电脑的10W AC/DC旅行适配器

消费类电子产品用AC/DC离线电源

包裹

SOIC-7.

方块图

iw1600-typical-applications-diagram.jpg

典型的应用程序图雷竞技安卓下载

iw1600-functional-blocts-diagram.jpg

功能框图

To order a sample of any of our products, please complete the following form. We will provide up to five parts free of charge. Our sales department will provide pricing for samples orders exceeding five parts.

样品申请表

保持联系

Get in touch with us directly through our worldwide sales offices, or contact one of our global distributors and representatives.

询问 Distributors and Representatives Register for newsletters