跳转到主要内容

iW1601

不推荐用于新设计

不推荐用于新设计 - 见iW1602

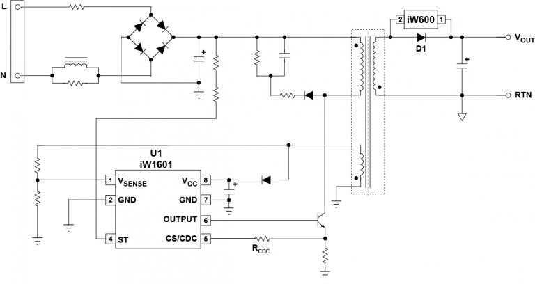
iw1601-typical-雷竞技安卓下载applications-diagram.jpg

10W输出,<30mW待机电源,超快速DLR带IW600

iW1601 AC/DC数字PWM控制器是专为高功率密度,紧凑,低bom成本离线电源高达10W。它与Dialog的iW600二次侧电压位置控制器一起工作,用于超快速动态负载响应,而PrimAccurate™主侧控制无需光耦合器。

与fet相比,iW1601直接驱动BJT进行软开关,改善EMI并减少EMI滤波组件的数量。

具有<30mW的无负载功耗,IW1601使电源能够轻松满足最严格的全球能效标准。

全面的保护功能包括SmartDefender™先进的打嗝技术,帮助解决电缆和连接器中的软短路。

特征

10W输出功率

驱动外部低成本BJT

轻松满足DoE外部电源和欧盟行为规范,版本5,二级标准

  • < 30mW空载功耗

适用于IW600以进行超快速动态载荷响应(DLR)

准谐振控制在所有负载中优化效率

PrimAccurate™-主侧控制,不需要光电耦合器

电缆和连接器中的电压损耗的用户可配置的电压偏移补偿(4个选项)

EZ-EMI™设计轻松满足全球EMI规格

SmartDefender™高级打嗝技术

  • 帮助解决软短路的电缆,连接器而不闭锁
  • 短路时平均功率降低50%以上,避免线缆和连接器受热损伤

完全免受故障条件的影响

  • 过热保护
  • 输出过压、过流
  • 输入欠压保护
  • 感测电阻短路保护

雷竞技安卓下载

10W AC/DC旅行适配器用于智能手机和平板电脑

用于消费电子产品的AC/DC离线电源

SOIC-8

方框图

iw1601-typical-雷竞技安卓下载applications-diagram.jpg

典型应用图雷竞技安卓下载

iw1600-functional-block-diagram.jpg

原理框图

要订购我们任何产品的样本,请填写以下表格。雷电竞官网登录我们将免费提供多达五部。我们的销售部门将为样品订单提供超过五个部分的定价。

样品申请表

保持联系

通过我们的全球销售办事处直接与我们联系,或联系我们的全球经销商和代表之一。

调查 经销商和代表 注册新闻通讯
产品简介和摘要
的名字 日期 版本
iW1601产品总结(365.28 KB) 14/03/2018 0.4
数据表
的名字 日期 版本
iW1601数据表(910.06 KB) (仅注册用户) 14/03/2018 0.8