Skip to main content

iW1698

Not Recommended for New Designs - SeeiW1677

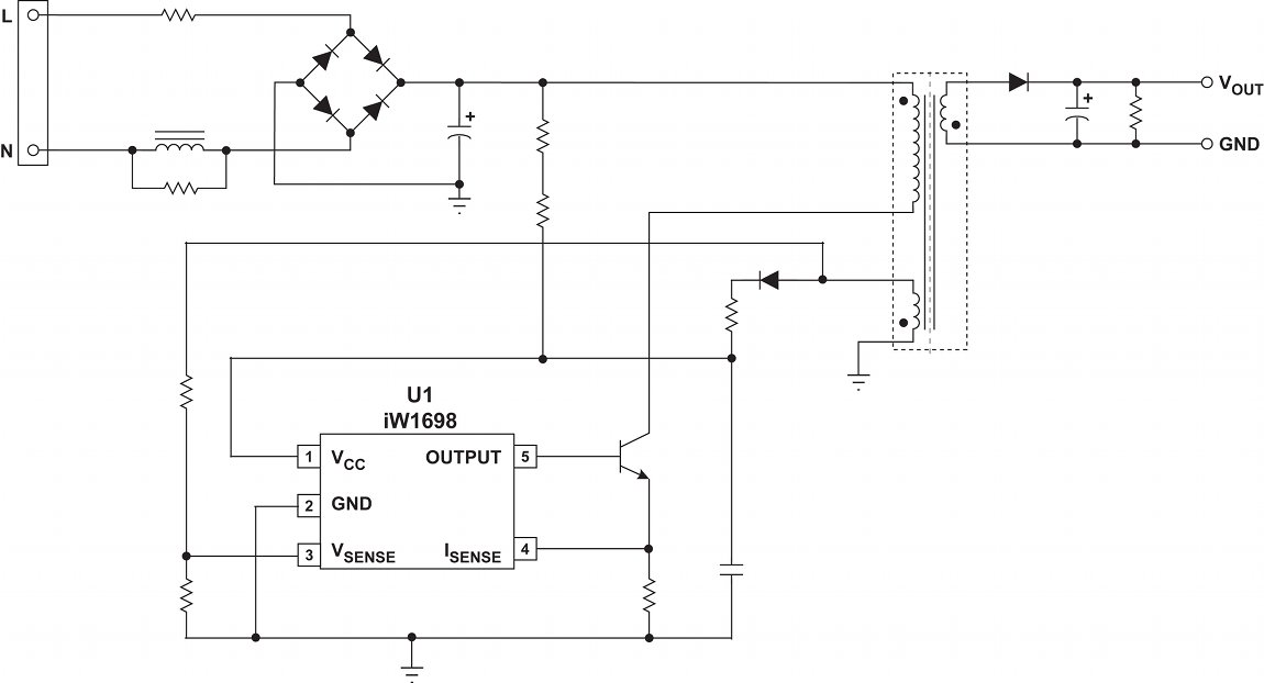
iW1698TypicalApplicationsDiagram.jpg

PrimAccurate™ Off-Line Digital PWM Controller in a SOT-23 Package

The iW1698 is a high performance AC/DC controller designed to drive an external power bipolar junction transistor (BJT) for peak current mode PWM flyback power supplies. Ideal for wall adapters in portable electronics and power supplies for consumer electronics, the iW1698 easily meets the US DoE’s external power supply standard and the EU’s Code of Conduct, version 5, tier 2 standard with no-load power consumption less than 30mW.

As a PrimAccurate™ controller, which use primary-side control algorithms, the iW1698 does not need any direct secondary-side feedback components, eliminating the need for optocouplers, reducing component count and solution cost. Additional features include Dialog's proprietary EZ-EMI™ technology, quasi-resonant control for optimal efficiency at heavy loads, cable and connector voltage drop compensation options, full protection from fault conditions and tiny packaging. The iW1698 comes in two options, the iW1698-00 with zero voltage drop compensation and the iW1698-05 with a 150mV voltage drop compensation offset.

Stay connected

Get in touch with us directly through our worldwide sales offices, or contact one of our global distributors and representatives.

Inquiries Distributors and Representatives Register for newsletters
Datasheets
Name Date Version
iW1698 Datasheet(877.33 KB) 06/02/2012 1.2