跳到主要内容

IW1699B.

30W AC/DC电源适配器离线控制器提供更低的输出纹波,更宽的输入电压与iW1699

IW1699B-典型应用程序 -雷竞技安卓下载 图.jpg

1%输出纹波,解决方案尺寸小

IW1699B通过将输出电压幅度降低到12V输出电压的输出电压纹波来提高对话的IW1699 AC / DC控制器的性能,将VCC输入电压范围增加到高达25V,并提高了额外保护功能的鲁棒性。

IW1699B可轻松符合美国DOE的外部电源效率标准和欧盟的行为准则,第5版,第2层外部电源标准,无负载功耗小于30MW,同时遵守最小的主动模式效率要求。

iW1699B还集成了Dialog的SmartDefender™智能打嗝技术,帮助解决电缆和连接器的软短路。

iW1699B是针对针和向后兼容的IW1699

一个迪亚姆iW1699B提供了仿真模型。有关更多信息和下载位置,请访问迪亚姆页面。

特征

低输出纹波电压–在12V或5V输出电压下为120mV

25V最大Vcc输入电压范围

轻松满足DoE外部电源和欧盟CoC版本5,Tier 2标准

  • 空载功耗小于30mW

主动启动可减少启动时间而不增加空载功耗

可选择电压偏移补偿,用于电缆和连接器中的电压损耗(5个选项)

  • 通过单电阻可选择

初准TM- 初级侧控制,不需要光电耦合器

本质低噪声解决方案-在整个工作范围内无可闻噪声

自适应多模PWM/PFM控制可在负载范围内实现最佳效率

EZ-EMI.TM易于满足全球EMI规格的设计

快速动态载荷响应(DLR)

SmartDefender™智能Hiccup技术

  • 帮助在电缆中的软短路址,连接器无闭锁
  • 帮助保护电缆和连接器的过热和损坏,降低平均功率在短路50%以上

完全保护免受故障条件的影响

  • 过压/超温保护(锁存选项)
  • 片内超温保护
  • 输出过电压和过电流保护
  • 输入欠压保护
  • 感测电阻器短路保护
  • 批量输入电容放电电路

针对针和向后兼容iW1699

雷竞技安卓下载

智能手机,平板电脑的紧凑型电源适配器

消费类电子产品用AC/DC适配器

模型可用!

方框图

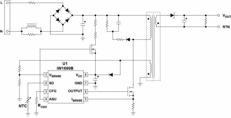
IW1699B-典型应用程序 -雷竞技安卓下载 图.jpg

典型应用程序图雷竞技安卓下载

iw1699b-functional-block.jpg

原理框图

DiaSIM标志

对话框迪亚姆仿真模型和工具可以使用高准确的选择产品仿真和验证AC / DC电源。雷电竞官网登录所有型号和应用程序电路都可以从支持网站下载。

下载

如需订购我们任何产品的样品,请填写以下表格。我们将免费提供多达五雷电竞官网登录个部件。我们的销售部门将为超过五个零件的样品订单提供定价。

样品申请表

保持联系

通过我们的全球销售办事处直接与我们联系,或联系我们的全球分销商和代表之一。

询问 分销商和代表 注册新闻通讯
产品简介和摘要
姓名 日期 版本
iW1699B产品总结(456.08 KB) 2017/06/12/10 1.7
数据表
姓名 日期 版本
IW1699B Datasheet.(1.08 MB) (仅限注册用户) 2017/06/12/10 1.8
DiaSIM仿真工具
姓名 日期 版本
iW1699B-03 DiaSIM™ 模型(321.34 KB) (仅限注册用户) 2018年12月12日 1.0
NL5快速入门指南(4.04 MB) 16/09/2016 1.0
参考设计
姓名 日期 版本
参考设计EBC10075:IW1699B和IW671用于通用输入,5V / 3A输出小尺寸充电器设计(2.52 MB) (仅限注册用户) 2015/11/18. 1.0
参考设计EBC10104: iW1699B-05和iW673-00 5V/2.4A适配器设计(2.44 MB) (仅限注册用户) 23/06/2016 1.0
白皮书和技术文章
姓名 日期 版本
白皮书:国际外部电源规则(219.09 KB) (仅限注册用户) 01/09/2014 一个