Skip to main content

iW1709

PrimAccurate™ Digital Off-Line Controller with <50mW No-Load Power Consumption for Power Supplies up to 12W

IW1709  - 典型应用程雷竞技安卓下载序 - 图.jpg

离线数字绿色模式准谐振PWM控制器

IW1709数字离线控制器提供快速启动,进入高电容负载,非常低的待机功耗(<50MW)和成本优化的BOM,使用低成本的BJT电源设备,用于离线电源,最多12W。通过将美国能源部外部电力供应效率要求和第5版,欧盟外部电源行为准则的第2层,IW1709理想地适用于家庭网络设备,家电,无线接入点和机顶盒。

Integrating Dialog's PrimAccurate™ and EZ-EMI®技术支持易于设计的解决方案,并通过消除外部光学反馈隔离器的需求来降低BOM成本。IW1709还集成了电缆掉落补偿选项,请补偿电缆和连接器中的电压降,确保正确的电压使其成为负载。保护功能的完整补充使得在短路,过电压,输入欠压或过温条件的情况下,可以实现鲁棒操作。

ADiaSIM™simulation model is available for the iW1709. For more information and where to download, please visit theDiaSIM™page.

特征

Adaptively Controlled Soft Start-up - Fast and Smooth Start-up Into Large Capacitive Loads

  • Active Start-Up Circuit to Reduce Turn-On Time without Increasing No-Load Power

Meets Department of Energy and EU's CoC, Version 5, Tier 2 External Power Supply Efficiency Standards

  • Less than 50mW No-Load Power Consumption

Intrinsically Low Noise Solution - No Audible Noise Over Entire Operating Range

电缆跌落补偿选项

PrimAccurate™ - 初级侧控制,无需光耦合器

Quasi-resonant Control for Optimal Efficiency

EZ-EMI®Design to Easily Meet Global EMI Specifications

快速动态载荷响应

SOIC-8 Package

完全免受故障条件的影响

  • Over-Temperature Protection
  • Output Over-Voltage and Over-Current
  • Input Undervoltage Protection
  • 感测电阻短路保护

雷竞技安卓下载

Networking Power Supplies for ADSL Modems, Wireless Access Points and Routers

Home Appliances

Set-Top Box

Model Available!

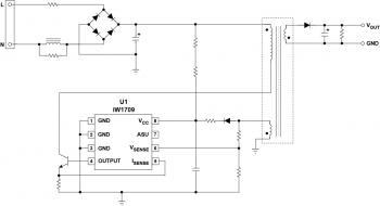
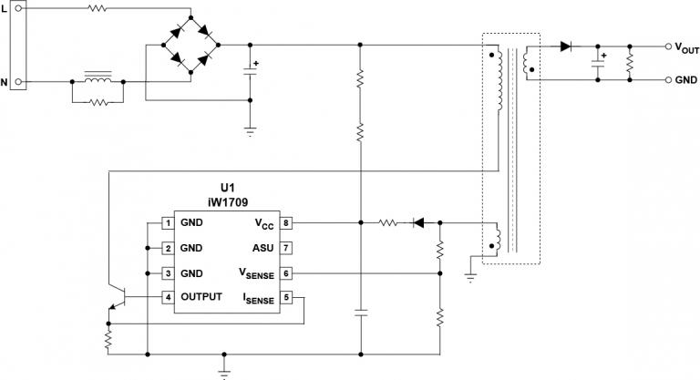
Block Diagrams

IW1709  - 典型应用程雷竞技安卓下载序 - 图.jpg

Typical applications diagram

IW1709-functional-block-diagram-diagram.jpg

Functional block diagram

DiaSIM logo

对话’sDiaSIMsimulation models and tools enable simulation and validation of AC/DC power supplies using highly accurate models for selected products. All models and application circuits are available for download from the support website.

下载

要订购我们任何产品的样本,请填写以下表格。雷电竞官网登录我们将免费提供多达五部。我们的销售部门将为样品订单提供超过五个部分的定价。

Sample Request Form

Stay connected

通过我们的worldwid直接与我们取得联系e sales offices, or contact one of our global distributors and representatives.

Inquiries 经销商和代表 Register for newsletters
Product Briefs and Summaries
Name 日期 版本
IW1709产品摘要(321.24 kB) 06/01/2017 1.0
数据表
Name 日期 版本
iW1709 Datasheet(711.53 KB) (Registered users only) 06/01/2017 1.0
DIASIM仿真工具
Name 日期 版本
iW1709-00 DiaSIM™ Model(161.76 KB) (Registered users only) 03/03/2017 1.0
IW1709-01 DIASIM™模型(161.47 KB) (Registered users only) 03/03/2017 1.0
NL5 Quick Start Guide(4.04 MB) 2016/09/16 1.0