跳到主要内容

iW1818

12W AccuSwitch™AC / DC数字初级侧切换器消除了光耦合器,并保持了出色的横向精度

iw1818-typical-application-diagram.jpg

72kHz integrated 800V BJT optimized for 12Vout

The iW1818 AccuSwitch™ digital PWM converter integrates a highly accurate control circuit with an 800V BJT power switch to provide a complete solution for off-line power conversion at up to 12W of output power.

对话框的PrimAccurate™主面数字控制器l algorithms eliminate the need for failure-prone optocouplers and ensure excellent cross-regulation accuracy, to enable the longer operating lifetime, high performance and reduced cost required for white goods applications.

The output is designed to smoothly start-up into large capacitors while maintaining a quick turn-on time. It operates in quasi-resonant mode to optimize efficiency and incorporates a low-power mode that achieves <50mW of no-load power consumption to meet global energy efficiency regulations. Additional features include full protection from over-temperature, over-voltage and over-current conditions as well as EZ-EMI®technology to easily meet global EMI specifications.

一种迪亚姆TMsimulation model is available for the iW1818. For more information and where to download, please visit the迪亚姆TM页。

Features

10W - 12W输出功率

AccuSwitch™ - 集成800V电源BJT

PrimAccurate™ Primary-Side Control

  • No Optocoupler Needed

智能数字控制回路,用于精确的电压交叉调节

符合全球能效标准

  • <50MW无负载功耗
  • Quasi-resonant Control for Optimal Efficiency

一种daptively Controlled Soft Start-up

快速,平滑地启动到大型电容负载中

EZ-EMI™设计可轻松满足全球EMI规范

Fully Protected from Fault Conditions:

过温保护

输出过电压和过电流

感测电阻短路保护应用

热高效的PDIP-7包,以支持高功率

雷竞技安卓下载

Networking power for ADSL, wireless access points and routers

家用电器

机顶盒

型号可用!

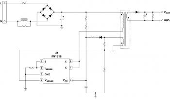
框图

iw1818-typical-application-diagram.jpg

Typical application diagram

iw1818-functional-block-diagram.jpg

功能框图

迪亚姆徽标

对话框迪亚姆仿真模型和工具可以使用高准确的选择产品仿真和验证AC / DC电源。雷电竞官网登录所有型号和应用程序电路都可以从支持网站下载。

Download

To order a sample of any of our products, please complete the following form. We will provide up to five parts free of charge. Our sales department will provide pricing for samples orders exceeding five parts.

样本请求表格

保持联系

Get in touch with us directly through our worldwide sales offices, or contact one of our global distributors and representatives.

Inquiries Distributors and Representatives 注册新闻通讯
Product Briefs and Summaries
Name Date Version
IW1818产品摘要(390.44 KB) 15./04/2016 1.0
Datasheets
Name Date Version
IW1818数据表(1.05 MB) (Registered users only) 08/11/2019 1.2
迪亚姆Simulation Tools
Name Date Version
IW1818 DIASIM™模型(142.93 kB) (Registered users only) 19/09/2018 3.0
nl5快速入门指南(4.04 MB) 16/09/2016 1.0
Evaluation boards
Name Date Version
IW1818-eval gerber文件(228.32 KB) (Registered users only) 2016/07/18. 1.0
IW1818-eval布局(1.13 MB) (Registered users only) 2016/07/18. 1.0
iW1818-EVAL Schematic(241.36 KB) (Registered users only) 2016/07/18. 1.0
IW1818-EVAL摘要(467.14 KB) 18/05/2016 1.0
IW1818-eval用户指南(4.03 MB) (Registered users only) 2016/10/27. 1.2
Reference designs
Name Date Version
Reference Design EBC10077: iW1818-00 12V/700mA and 5V/150mA Dual Output Home Appliance Reference Design(2.33 MB) (Registered users only) 23/11/2015 1.0
参考设计EBC10089:IW1818-00 12V / 500mA,5V / 200mA和15V / 200mA多输出家电设计(3.42 MB) (Registered users only) 23/11/2015 1.0
Reference Design EBC10090: iW1818-00 12V/500mA, 5V/200mA and 16V/200mA Multi-Output Home Appliance Design(3.47 MB​​) (Registered users only) 23/11/2015 1.0
Reference Design EBC10093: iW1818-00 5V/2A Single-Output Home Appliance Design(2.92 MB) (Registered users only) 23/11/2015 1.0
参考设计EBC10094:IW1818-00 12V / 800MA单输出家电设计(3.22 MB) (Registered users only) 23/11/2015 1.0
Reference Design EBC10095: iW1818-00 12V/500mA and 5V/1000mA Single-Output Home Appliance Design(3.16 MB) (Registered users only) 23/11/2015 1.0
White Papers & Technical Articles
Name Date Version
White Goods Power Supply Design White Paper(921.42 KB) (Registered users only) 01/05/2016 1.0
白皮书:国际外部电源规定(219.09 KB) (Registered users only) 01/09/2014 一种

iW1818-EVAL Evaluation Board for 10W Single Output Power Supplies

IW1818-eval评估板提供了用于开发10W单次输出电源的解决方案,用于白色商品,家电,工业控制设备和网络设备。它使用对话的IW1818 AccuSwitch™数字离线电源控制器IC,并使用初级侧控制的准谐振反激式转换器提供5V:2A调节输出。

Find out more and buy IW1818-EVAL摘要