Skip to main content

IW1830

15W AccuSwitch™AC / DC数字初级侧切换器消除了光耦合器,并保持了出色的横向精度

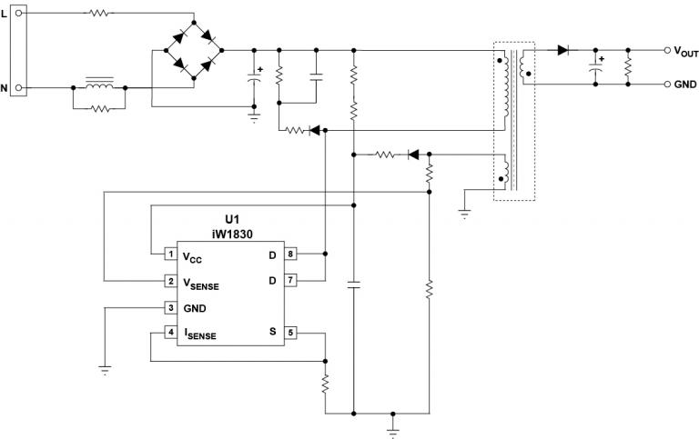
IW1830  - 典型应用程序图.jpg

79kHz integrated 700V power MOSFET optimized for 12Vout

IW1830 AccuSwitch™数字PWM转换器与700V功率MOSFET集成了高度精确的控制电路,提供了完整的离线电源转换解决方案,以便高达15W的输出功率。

Dialog的PrimAccurate™初级侧数字控制算法消除了对易于失效的光耦合器的需求,并确保出色的横向精度,以实现更长的操作寿命,高性能和白色商品应用所需的成本降低。雷竞技安卓下载

该输出旨在平滑地启动到大电容器中,同时保持快速接通时间。它以准谐振模式运行,以优化效率并采用低功耗模式,实现<50mW的空载功耗以满足全球能效法规。附加功能包括完全保护过度温度,过电压和过流条件以及EZ-EMI®技术满足全球EMI规范。

一个DIASIM™IW1830可用仿真模型。有关更多信息和下载的地方,请访问DIASIM™页。

特征

12W - 15W输出功率

AccuSwitch™ - 集成的700V电源MOSFET

PrimAccurate™初级侧控制

  • 不需要光电耦合器

智能数字控制回路,用于精确的电压交叉调节

Meets Global Energy Efficiency Standards

  • < 50mW No-Load Power Consumption
  • 准谐振控制以获得最佳效率

自适应控制的软启动

Fast, Smooth Start-up Into Large Capacitive Loads

EZ-EMI™设计以满足全球EMI规范

完全免受故障条件的影响:

Over-Temperature Protection

输出过电压和过电流

感测电阻短路保护应用

热高效的PDIP-7包,以支持高功率

雷竞技安卓下载

ADSL的网络电源,无线接入点和路由器

家用电器

机顶盒

型号可用!

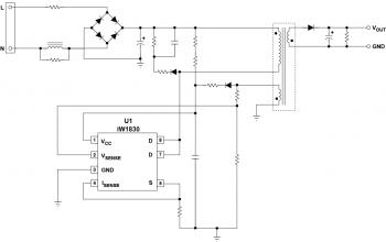
框图

IW1830  - 典型应用程序图.jpg

典型的应用程序图

IW1830-Functional-Block-Diagram.jpg

Functional block diagram

迪亚姆徽标

对话’sDiaSIMsimulation models and tools enable simulation and validation of AC/DC power supplies using highly accurate models for selected products. All models and application circuits are available for download from the support website.

下载

要订购我们任何产品的样本,请填写以下表格。雷电竞官网登录我们将免费提供多达五部。我们的销售部门将为样品订单提供超过五个部分的定价。

样本请求表格

保持联系

通过我们的全球销售办事处直接与我们联系,或联系我们的全球经销商和代表之一。

询问 经销商和代表 Register for newsletters
产品简介和摘要
Name 日期 版本
IW1830产品摘要(371.25 kB) 2016/08/23. 1.0
数据表
Name 日期 版本
IW1830数据表(765.12 KB) (仅限注册用户) 2016/08/23. 1.0
DIASIM仿真工具
Name 日期 版本
IW1830 DIASIM™模型(334.04 KB) (仅限注册用户) 05/01/2017 1.0
IW1830Simulation Circuit 90-132VAC 13.5V/0.9A Home Appliance Design(715.82 KB) (仅限注册用户) 19/02/2018 2.0
nl5快速入门指南(4.04 MB) 2016/09/16 1.0
评估板
Name 日期 版本
IW1830-eval gerber文件(251.94 KB) (仅限注册用户) 18/07/2016 1.0
IW1830-eval布局(1.27 MB) (仅限注册用户) 18/07/2016 1.0
IW1830-EVEL原理图(238.77 KB) (仅限注册用户) 18/07/2016 1.0
IW1830-equ摘要(475.78 KB) 2016/05/18. 1.0
IW1830-eval用户指南(4.38 MB) (仅限注册用户) 2016/10/03. 1.2
IW1830-eval1 Gerber文件(232.34 kB) (仅限注册用户) 18/07/2016 1.0
IW1830-eval1布局(1.08 MB) (仅限注册用户) 18/07/2016 1.0
IW1830-eval1原理图(222.14 KB) (仅限注册用户) 18/07/2016 1.0
IW1830-eval1摘要(481.08 KB) 2016/05/18. 1.0
IW1830-eval1用户指南(3.9 MB) (仅限注册用户) 18/07/2016 1.0
参考设计
Name 日期 版本
参考设计EBC10088:IW1830-00 13.5V / 900MA单输出家电设计(3.13 MB) (仅限注册用户) 24/11/2015 1.0
参考设计EBC10091:IW1830-00 12V / 1.25A单输出家用电器设计(2.87 MB) (仅限注册用户) 24/11/2015 1.0
Reference Design EBC10092: iW1830-00 12V/800mA and 5V/1A Dual-Output Home Appliance Design(3.21 MB) (仅限注册用户) 24/11/2015 1.0
参考设计EBC10096:IW1830-00 5V / 3A单输出家用电器设计(3.02 MB) (仅限注册用户) 27/11/2015 1.0
参考设计EBC10097:IW1830-00和IW671-00 5V / 3A小型充电器设计(3.33 MB) (仅限注册用户) 24/11/2015 1.0
Reference Design EBC10098: iW1830-00 12V/1000mA and 5V/300mA Dual-Output Home Appliance Design(3.35 MB) (仅限注册用户) 24/11/2015 1.0
白皮书和技术文章
Name 日期 版本
白色物品电源设计白皮书(921.42 KB) (仅限注册用户) 01/05/2016 1.0
白皮书:国际外部电源规定(219.09 KB) (仅限注册用户) 01/09/2014 一个

IW1830-EVAL评估板为15W双输出电源

IW1830-EVAL评估板提供了用于开发15W双输出电源的解决方案,用于白色商品,家电,工业控制设备和网络设备。它使用对话的IW1830 AccuSwitch™数字离线电源控制器IC,并使用单个初级侧控制的准谐振反激式转换器提供两个输出,12V:1A和5V:0.5A。

了解更多并购买 IW1818-EVAL摘要

IW1830-EVAL1 15W单输出电源的评估板

IW1830-eval1评估板提供了用于开发15W单输出电源的解决方案,用于白色商品,家电,工业控制设备和网络设备。它使用对话的IW1830 AccuSwitch™数字离线电源控制器IC,并使用单一初级侧控制的准谐振反激式转换器提供5V:3A调节输出。

了解更多并购买 IW1818-EVAL摘要