跳到主要内容

iW600

iw600-typical-applications-diagram.jpg

Voltage position controller in 2-pin DFN package

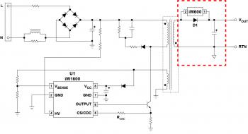
The iW600 secondary-side voltage position controller works with Dialog’s iW1600 and iW1601 primary-side PWM controllers to enable travel adapters with very low no-load standby power and fast dynamic load response.

The iW600 works on the secondary side to detect dynamic load changes on the output and uses Dialog’s patented technology to send a wake up signal to the input via the main flyback transformer, eliminating the need for an optocoupler, reducing cost and improving reliability – all in a low-cost, 2-lead DFN or 3-lead SOT-23 package.

Working normally in an off-state with negligible current draw, the iW600 enables 10W travel adapters with no-load power consumption < 10mW when used with Dialog’s iW1600 and < 30mW with the iW1601 PrimAccurate™ digital AC/DC controllers.

适用于主要侧PWM控制器iW1600,iW1601,iW1602

Features

快速系统输出电压检测和响应时间

Works Via the Flyback Transformer

  • Eliminates Need for Optocoupler

不需要外部组件

  • Only Two Pins Needed

Enables < 10mW No-Load Power Consumption Travel Adapter Solutions

3-Lead SOT-23 and 2-Lead DFN Package

雷竞技安卓下载

10W旅行适配器

AC/DC Chargers and Adapters

包裹

2-lead DFN or 3-lead SOT-23

Block Diagrams

iw600-typical-applications-diagram.jpg

典型的应用程序图雷竞技安卓下载

iw600-functional-block-diagram.jpg

Functional Block Diagram

To order a sample of any of our products, please complete the following form. We will provide up to five parts free of charge. Our sales department will provide pricing for samples orders exceeding five parts.

Sample Request Form

Stay connected

Get in touch with us directly through our worldwide sales offices, or contact one of our global distributors and representatives.

Inquiries Distributors and Representatives 注册新闻通讯