跳到主要内容

IW628

自适应电压位置监视器

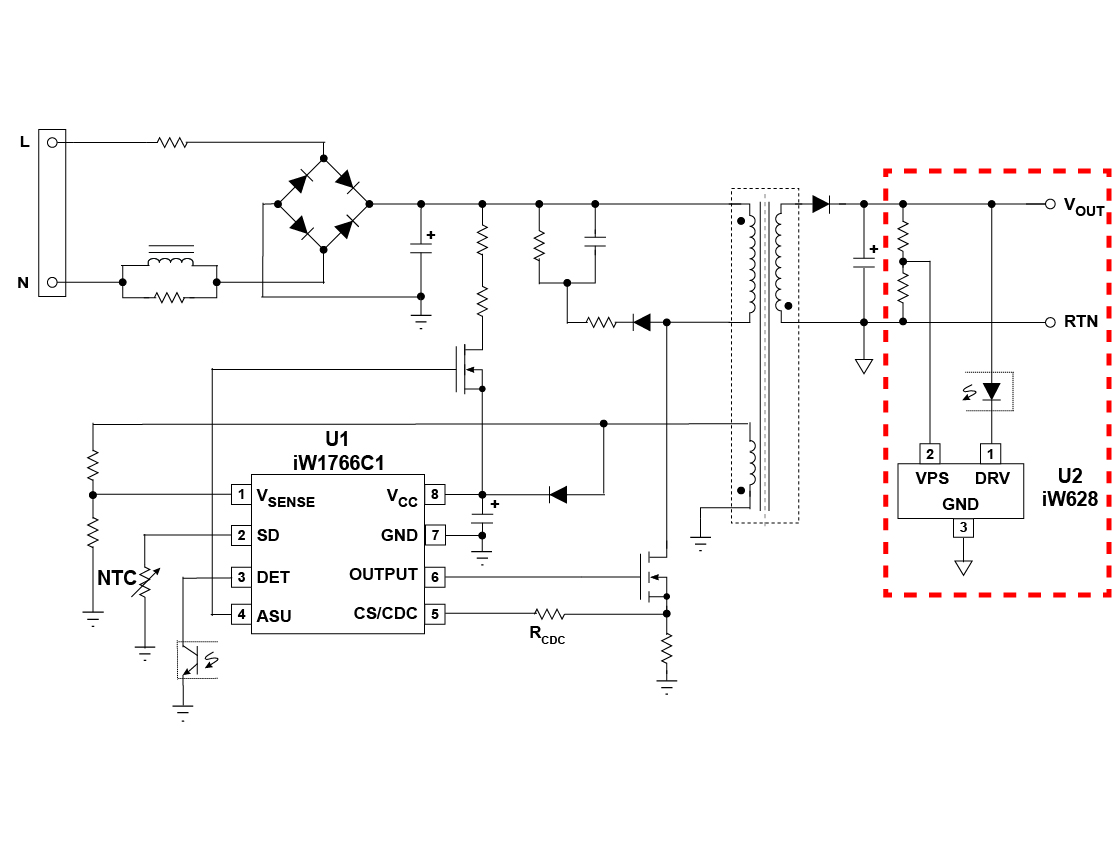
iw628-typical-applications-diagram_aug2015.jpg

High efficiency, ultra-low standby, ultra-fast dynamic load response

IW628是一种精密电压参考,用于快速检测AC / DC电源输出上的电压下降,并为控制器提供瞬时反馈,以提高整体电源的动态环路响应。

该器件消耗最小电流量,允许整体电源维持低于20mW以下的空载功耗水平。作为对话对话框的PrimAccurate™AC / DC控制器的补充,IW628有助于改善已经高性能的AC / DC控制器,同时消除了通常需要的额外的辅助组件来实现类似的性能水平。

伴侣产品到iW1766C1,iW1767

特征

Fast Response Time to Voltage Changes

在正常操作期间,截止值小于100ua的“常关”截止电流

宽输入电压范围为2.5V至15V(DRV引脚)

Built-in Opto-coupler LED Driver

  • 最小2mA驱动器电流

雷竞技安卓下载

AC/DC Power Adapters

AC/DC Networking and Embedded Applications

Precision Voltage Reference

Block Diagrams

IW628  - 典型应用程雷竞技安卓下载序-Dable.jpg

典型的应用程序图雷竞技安卓下载

IW628Functionalblockdiagram.jpg.jpg.

功能框图

要订购我们任何产品的样本,请填写以下表格。雷电竞官网登录我们将免费提供多达五部。我们的销售部门将为样品订单提供超过五个部分的定价。

Sample Request Form

Stay connected

通过我们的全球销售办事处直接与我们联系,或联系我们的全球经销商和代表之一。

询问 经销商和代表 注册新闻通讯
产品简介和摘要
姓名 日期 版本
IW628Product Summary(314.61 KB) 12/08/2015 1.0