Skip to main content

AS3810

16-channel white LED controller for LCD backlight

Not Recommended for New Designs - SeeAS3812.

as3810_blockdiagram.gif

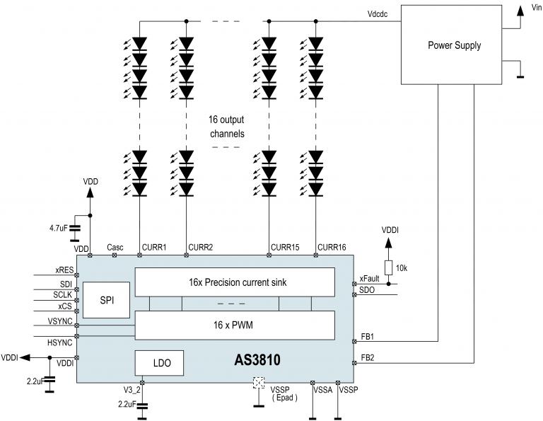
The AS3810 is a 16 channels precision LED driver for use in LCD backlight panels. Dynamic power feedback controls the external power supply to guarantee best efficiency. Built-in safety features include thermal shutdown as well as open and short LED detection. The device is programmable via serial interface.

Features

16 Channel LED driver

Output voltage max. 30V

Output current 177.5mA

线性电流设置使用两个8位IDAC范围

No external resistor needed

雷竞技安卓下载

The AS3810 is suitable for LED backlighting for LCD such as TV sets and monitors.

Block Diagrams

as3810_blockdiagram.gif

Block Diagram

as3810_typical_applications_diagram_-_web.jpg

Typical Applications Diagram

Stay connected

Get in touch with us directly through our worldwide sales offices, or contact one of our global distributors and representatives.

Inquiries Distributors and Representatives Register for newsletters
Datasheets
Name Date Version
AS3810 Datasheet(1002.33 KB) 05/02/2019 1.1