跳过主要内容

IW7019.

8通道LED驱动器,集成升压控制器,用于LCD面板背光

不推荐新设计-见IW7027.IW7038

IW7019  - 典型应用程雷竞技安卓下载序 - 图.jpg

8通道,内部电流槽LED驱动器和集成升压控制器

iW7019是为了在新一代2D、3D液晶电视中提供更好的屏幕性能和更低的成本而设计的。它提供了一个高度集成的功能集,包括一个带有10V栅极驱动的dc - dc升压控制器、高压电流接收器和Dialog的专利BroadLED™数字电流调节技术,该技术能够使用松散的LED阵列,以降低BOM成本。

IW7019还采用全面的调光控制,包括头部和尾模式PWM调光,以减少运动模糊;0%至100%,12位PWM调光,以提高对比度;8位模拟调光;单相移单次直接PWM调光;和混合调光。全面调光模式使PWM输出位置和占空比的精确控制,可提供最大的灵活性,以支持图案化的延迟器和快门玻璃3D电视技术,以及只有一个IC的2D电视。

特性

8通道LED背光驱动,65V(最大)LED电压

宽输入电源电压:9V至28V

使电流:

  • 2 d = 200 ma
  • 3 d = 450 ma

综合当前汇

集成的10V DC-DC升压控制器(10V栅极驱动)可以使用低成本的mosfet

专利BroadLED™技术降低了LED装箱的成本

  • 减少不匹配LED串之间的Vf
  • ±2%当前匹配

PWM调光范围:0%至100%

全面的调光控制:

  • 移相SPI调光接口
  • 8位模拟调光
  • 混合调光
  • 支持头部和尾模式调光,以减少运动模糊和瀑布噪声

通过每个LED串的SPI调光控制,实现局部调光

全面保护特点

  • 升压控制器 - 过电压,过电流,UVLO
  • LED驱动器 - LED打开检测,LED短路故障保护,过温关闭

雷竞技安卓下载

直接和分段边LED背光液晶电视

边缘型全球调光LED背光液晶电视

3D图案延迟器(PR)电视

3D快门玻璃(SG)电视

框图

IW7019  - 典型应用程雷竞技安卓下载序 - 图.jpg

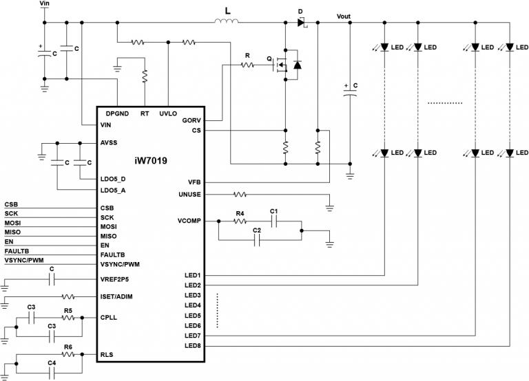
典型应用图雷竞技安卓下载

iw7019-functional-block-diagram.jpg

原理框图

如欲订购我们任何产品的样品,请填写以下表格。雷电竞官网登录我们将免费提供多达5个零件。我们销售部将提供样品订单超过5个零件的价格。

样本请求表格

保持联系

请直接通过我们的全球销售办事处与我们联系,或与我们的全球分销商和代表联系。

调查 分销商和代表 注册新闻通讯
产品简介和摘要
的名字 日期 版本
iW7019产品总结(1.02 MB) 05/02/2019 1.7