跳到主要内容

IW1767

24W PrimAccurate™高功率N通道MOSFET数字PWM控制器,用于网络适配器

IW1767  - 典型应用程雷竞技安卓下载序 - 图.jpg

非常快速的动态负载响应

IW1767提供高性能和非常快速的动态载荷响应(DLR),同时保持超低的空载功耗。适用于15-24W的AC / DC电源用于嵌入式和网络应用,IW1767采用对话框的先进数字电源技术,提供一种在高可靠性设备中提供坚雷竞技安卓下载固,效率和性能的解决方案。

iW1767轻松满足美国DoE的外部电源标准和欧盟的行为准则第5版tier 2标准,空载功耗低于20mW,同时符合有源模式效率要求。作为首要目标™ 控制器,它不需要任何直接的二次侧反馈元件,消除了对光耦的需要,减少了元件数量和解决方案成本。额外的功能包括一个输入的iW628检测电路,以进一步增加响应时间的负载变化,高效率,在广泛的负载范围和一个完整的补充保护功能,以确保安全和坚固的运作。

特征

遇见能源明星®AC-DC和AC-AC电源效率规格(Rev 2.0)

  • 20mW以下空载功耗

可选的辅助侧检测输入以获得快速动态载荷响应(DLR)

高输出功率-范围为15W至24W

主动启动 - 减少接通时间而不会影响空载功耗

超低250A的无负载工作电流

79KHz PWM开关频率

Selectable Voltage Offset Compensation for Voltage Loss in Cables and Connectors (5 Options)

PrimAccurate™ - 初级侧控制,无需光耦合器

内在低噪声解决方案 - 整个操作范围内没有可听噪声

自适应多模PWM / PFM控制,用于跨负载范围的最佳效率

EZ-EMI™设计可轻松满足全球EMI规范

完全免受故障条件的影响

  • 过电压/过温保护
  • 输出过电压和过电流
  • 输入欠压保护
  • 感测电阻短路保护

雷竞技安卓下载

网络设备和监视器的电源适配器

通用输入电源(15W-24W)

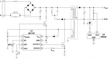
框图

IW1767  - 典型应用程雷竞技安卓下载序 - 图.jpg

典型应用示意图雷竞技安卓下载

IW1767功能块图1.jpg

功能框图

要订购我们任何产品的样本,请填写以下表格。雷电竞官网登录我们将免费提供多达五部。我们的销售部门将为样品订单提供超过五个部分的定价。

样本请求表格

保持联系

通过我们的全球销售办事处直接与我们联系,或联系我们的全球经销商和代表之一。

询问 经销商和代表 Register for newsletters
产品简介和摘要
姓名 日期 版本
IW1767产品简报(357.54 KB) 28/06/2013 0.4
白皮书和技术文章
姓名 日期 版本
什么是数字电力白皮书(597.24 kB)