跳到主要内容

IW1812.

AccuSwitch™离线数字PWM转换器,具有800V双极功率晶体管

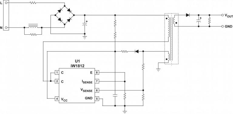
iw1812typical雷竞技安卓下载applicationsdiagram.jpg.

64KHZ集成BJT优化5VOUT,5W输出

IW1812是高性能AC / DC转换器,具有集成的800V电源双极连接晶体管(BJT)。能够进行5W输出功率,IW1812以准谐振模式操作以优化效率,并采用低功耗模式,可在无负载下实现小于30MW的功耗,满足全球能效标准,使其适用于应用雷竞技安卓下载如能源标准兼容的家用电器。

IW1812还包含对话框的PrimAccurate™初级侧数字控制算法,该算法使完全隔离的解决方案能够实现光耦合器,降低成本和解决方案尺寸,同时大大提高可靠性。附加功能包括从温度,过电压和电流条件以及EZ-EMI的完全保护®设计技术允许容易满足全球EMI规范的解决方案。

特征

AccuSwitch™ - 集成800V BJT

5W输出功率范围

易于满足Energy-Star®AC/ DC电源效率规格(Rev 2.0)

  • 小于30MW无负荷功耗

超低1.7UA启动电流

PrimAccurate™ - 初级侧控制,无需光耦合器

准谐振控制以获得最佳效率

EZ-EMI®设计可轻松满足全球EMI规范

64KHz PWM开关频率

完全免受故障条件的影响

  • 输出过电压和过电流
  • 输入欠压保护
  • 感测电阻短路保护
  • 过温保护

雷竞技安卓下载

智能电表

电机控制

工业电源

家庭自动化和家电

框图

iw1812typical雷竞技安卓下载applicationsdiagram.jpg.

典型的应用程序图雷竞技安卓下载

IW1812FunctionalBlockDiagram.jpg.jpg.

功能框图

要订购我们任何产品的样本,请填写以下表格。雷电竞官网登录我们将免费提供多达五部。我们的销售部门将为样品订单提供超过五个部分的定价。

样本请求表格

保持联系

通过我们的全球销售办事处直接与我们联系,或联系我们的全球经销商和代表之一。

询问 经销商和代表 注册新闻通讯
数据表
姓名 日期 版本
IW1812 Datasheet.(816.78 KB) 2016/09/26. 1.2
白皮书和技术文章
姓名 日期 版本
什么是数字电力白皮书(597.24 kB)