跳到主要内容

IW1815

AccuSwitch™离线数字PWM转换器,具有800V双极功率晶体管的热效率P-DIP7

IW1815  - 典型应用程雷竞技安卓下载序 - 图.jpg

64KHZ集成BJT针对12VOUT,7W输出进行了优化

IW1815是ACCUSWICH™数字PWM控制器,可简化设计并降低电源的成本。IW1815与800V额定的BJT电源开关集成了高度精确的控制电路。输出优化为12V输出电压,最多可达7W,旨在启动大输出电容器(6,000μF)。它以准共振模式运行以优化效率,并采用低功耗模式,实现<30MW无负载功耗,轻松满足全球能效标准,适用于能源标准兼容家用电器等应用。雷竞技安卓下载

Dialog的PrimAccurate™初级侧数字控制算法使完全隔离的解决方案能够进行光耦合器,降低成本和解决方案尺寸,同时提高可靠性。附加功能包括从过度温度,过电压和过流条件以及EZ-EMI的完全保护®技术可轻松满足全球EMI规范。

特征

1W - 7W输出功率

AccuSwitch™ - 集成800V电源BJT

PrimAccurate™初级侧控制

  • 不需要光电耦合器

智能数字控制回路,用于精确的电压交叉调节

符合全球能效标准

  • <30MW无负载功耗
  • 准谐振控制以获得最佳效率

自适应控制的软启动

  • 快速,平滑地启动到大型电容负载中

优化12VOUT和大型COUT

EZ-EMI™设计可轻松满足全球EMI规范

完全免受故障条件的影响:

  • 过温保护
  • 输出过电压和过电流
  • 感测电阻短路保护

热高效的PDIP-7包,以支持高功率

雷竞技安卓下载

智能电表

电机控制

网络设备

家庭自动化和家电

网络设备

工业用具

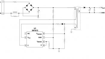
框图

IW1815  - 典型应用程雷竞技安卓下载序 - 图.jpg

典型的应用程序图雷竞技安卓下载

IW1815-Functional-Block.jpg

功能框图

要订购我们任何产品的样本,请填写以下表格。雷电竞官网登录我们将免费提供多达五部。我们的销售部门将为样品订单提供超过五个部分的定价。

样本请求表格

保持联系

通过我们的全球销售办事处直接与我们联系,或联系我们的全球经销商和代表之一。

询问 经销商和代表 注册新闻通讯
产品简介和摘要
名称 日期 版本
IW1815产品摘要(348.6 KB) 2015/04/2015 0.1
数据表
名称 日期 版本
IW1815数据表(823.42 kB) (仅限注册用户) 2015年11月11日 0.2
白皮书和技术文章
名称 日期 版本
白色物品电源设计白皮书(921.42 KB) (仅限注册用户) 01/05/2016 1.0