跳到主要内容

IW1816.

AccuSwitch™离线数字PWM转换器,具有800V双极功率晶体管

iw1816typical雷竞技安卓下载applicationsdiagram.jpg.

针对5W输出电源应用进行了优化雷竞技安卓下载

IW1816集成,IW1816以准谐振模式运行,允许其轻松满足全球能效标准,小于30MW的无负载功耗。

IW1816包括一个自适应软启动电路,智能地控制5V至12V的输出电压范围内的启动,高达6000UF的电容负载,使其适用于智能电表,家电等应用雷竞技安卓下载网络设备。IW1816还集成了对话框的PrimAccurate™主侧数字控制算法,该算法能够完全隔离解决方案,无需光耦合器,降低成本和解决方案尺寸,同时大大提高可靠性。附加功能包括从温度,过电压和电流条件以及EZ-EMI的完全保护®设计技术允许容易满足全球EMI规范的解决方案。

特征

符合外部电源的拟议强制性联邦效率标准1

AccuSwitch™ - 集成800V电源BJT

自适应控制的软启动 - 快速但平稳启动到大型电容负载中

针对5W输出功率范围进行了优化

轻松符合Energy-Star®AC-DC电源效率规格(Rev 2.0)

  • 小于30MW无负荷功耗

PrimAccurate™ - 初级侧控制,无需光耦合器

准谐振控制以获得最佳效率

EZ-EMI™设计可轻松满足全球EMI规范

64KHz PWM开关频率

完全免受故障条件的影响:

  • 过温保护
  • 输出过电压和过电流
  • 感测电阻短路保护

雷竞技安卓下载

智能电表

电机控制

网络设备

家庭自动化和家电

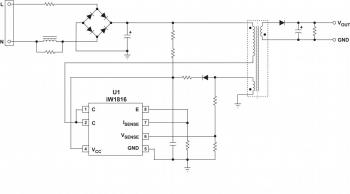
框图

iw1816typical雷竞技安卓下载applicationsdiagram.jpg.

典型的应用程序图雷竞技安卓下载

IW1816Functionalblockdiagram.jpg.jpg.

功能框图

要订购我们任何产品的样本,请填写以下表格。雷电竞官网登录我们将免费提供多达五部。我们的销售部门将为样品订单提供超过五个部分的定价。

样本请求表格

保持联系

通过我们的全球销售办事处直接与我们联系,或联系我们的全球经销商和代表之一。

询问 经销商和代表 Register for newsletters
数据表
姓名 日期 版本
IW1816数据表(858.15 kB) 2016/06/30. 1.0
参考设计
姓名 日期 版本
参考设计EBC10035:IW1816-20 12V / 250MA 5V / 250MA双输出家电设计(2.36 MB) (仅限注册用户) 02/12/2015 1.0
参考设计EBC10036:IW1816-20 12V / 200mA单输出家用电器设计(2.15 MB) (仅限注册用户) 02/12/2015 1.0
白皮书和技术文章
姓名 日期 版本
什么是数字电力白皮书(597.24 kB)
白色物品电源设计白皮书(921.42 KB) (仅限注册用户) 01/05/2016 1.0