跳转到主要内容

iW3605

25W,单级,无铅离线控制器,用于高PF可调可调SSL应用雷竞技安卓下载

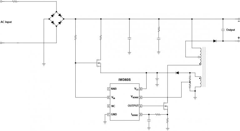
iw3605-typical-雷竞技安卓下载applications-diagram.jpg

可调光SSL单级驱动

iW3605单级,25W LED驱动器无需分压器,同时保持宽调光器兼容性,提供了高PF(>0.92)和低THD(<20%)的成本优化解决方案。

IW3605集成了对话的专利智能调光控制,可提供更广泛的调光器,包括TRIAC,数字和通用调光器。该技术使用数字分析来查询调光器,并应用自动适应调光器类型的算法。

iW3605是完全保护,包括Dialog的专利配置超温保护(OTP)降额。这种OTP特性可以保护整个LED驱动电路不受过度加热的影响,同时在低气流灯泡安装时,即使环境温度很高,也可以连续输出光。

特征

25W输出功率

单级,无排气孔设计,低BOM成本

宽调光兼容性

  • 双向可控硅和数字
  • 自动检测调光器类型

可配置调光曲线 - NEMA SSL 6标准

高功率因数(PF) > 0.92

低总谐波失真(THD) < 20%

PrimAccurate™数字控制

  • 无光反馈隔离器的隔离离线控制

Zhaga热插拔的

内置,可配置的LED电流自动降额过温保护

雷竞技安卓下载

25W可调光的SSL改装灯和外部照明镇流器驱动器

改装SSL灯泡:A19, PAR, T8

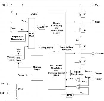
方框图

iw3605-typical-雷竞技安卓下载applications-diagram.jpg

典型的应用程序图雷竞技安卓下载

iw3605-functional-block-diagram.jpg

原理框图

要订购我们任何产品的样本,请填写以下表格。雷电竞官网登录我们将免费提供多达五部。我们的销售部门将为样品订单提供超过五个部分的定价。

样品申请表

保持联系

通过我们的全球销售办事处直接与我们联系,或联系我们的全球经销商和代表之一。

调查 经销商和代表 注册通讯
产品简介和摘要
的名字 日期 版本
iW3605产品总结(418.13 kB) 2017/06/27. 1.0
数据表
的名字 日期 版本
iW3605数据表(1.43 MB) (仅注册用户) 2017/06/27. 1.0
参考设计
的名字 日期 版本
参考设计EBC20066: iW3605-02C, iW339-00, 90V-135VAC输入,40V/500mA输出,3个输出电流设置LED驱动器设计(2.36 MB) (仅注册用户) 22/02/2019 1.0