Skip to main content

iW3690

I2C-Control and TRIAC-Dimmable Offline LED Drivers for Smart Lighting Applications up to 25W

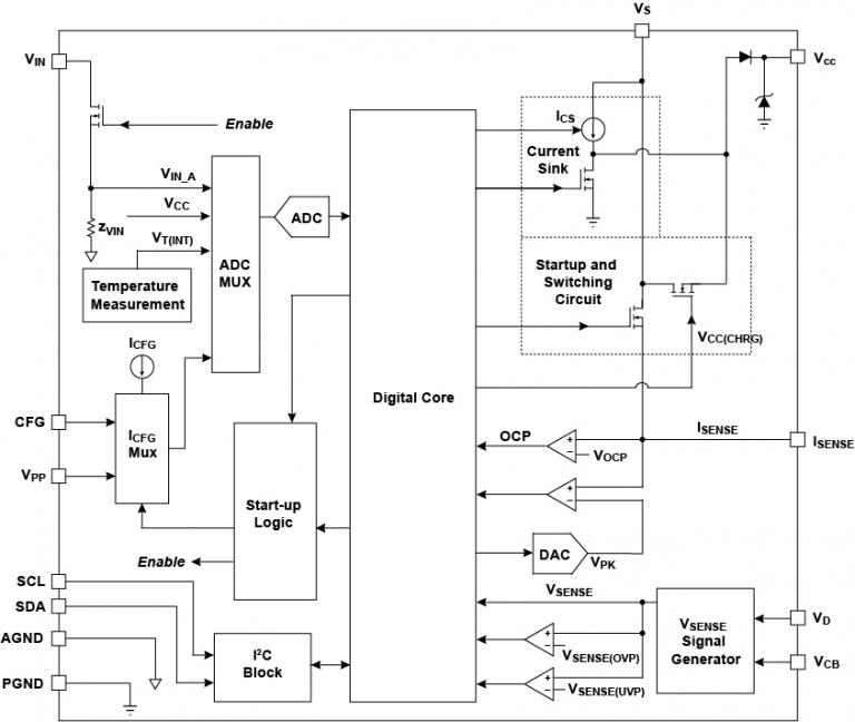
iw3690_functional_block_diagram.jpg

Dual-Dim Technology Enables Wall Dimmer and Digital Dimming in One IC

The iW3690 incorporates a digital serial control bus along with Dialog’s industry-leading digital phase-cut dimmer technology to enable intelligent LED luminaires that can be dimmed concurrently with TRIAC wall dimmers and wireless dimming protocols. Dialog’s dual-dim technology allows for a wide dimming range from 1% to 100% without flicker or shimmer, providing a high quality of light for applications up to 25W.

The iW3690 provides high efficiency, low THD and high Power Factor in a low total BOM cost solution. LED protection features include LED open and LED short protection, input over voltage and output over current protection and Dialog’s over-temperature protection derating.

Features

Dual-Dim Technology – I2C and TRIAC Dimming Concurrently

  • Digital Link Dimming at Any Phase Conduction Angle
  • Remote On/Off at Any Phase Conduction Angle

Works with Bluetooth® and Other Wireless Protocols

Works with Smart Sensors for Color and Proximity Sensing

Dimming Range 1% To 100% Without Flicker or Shimmer

25W Maximum Output Power Capability

High PF (>0.92) and Low THD (<20%)

Compatible with Low-Cost, Off-the-Shelf Inductors

Resonant Control for High Efficiency (>85%)

Advanced Protection Features

  • Over-Temperature Protection Derating
  • LED Open and Short Circuit Protection
  • AC Line Over Voltage Protection
  • Output Over Current Protection

雷竞技安卓下载

Dimmable Intelligent LED Lamps and Luminaires up to 25W

Block Diagrams

iw3690_functional_block_diagram.jpg

Functional Block Diagram

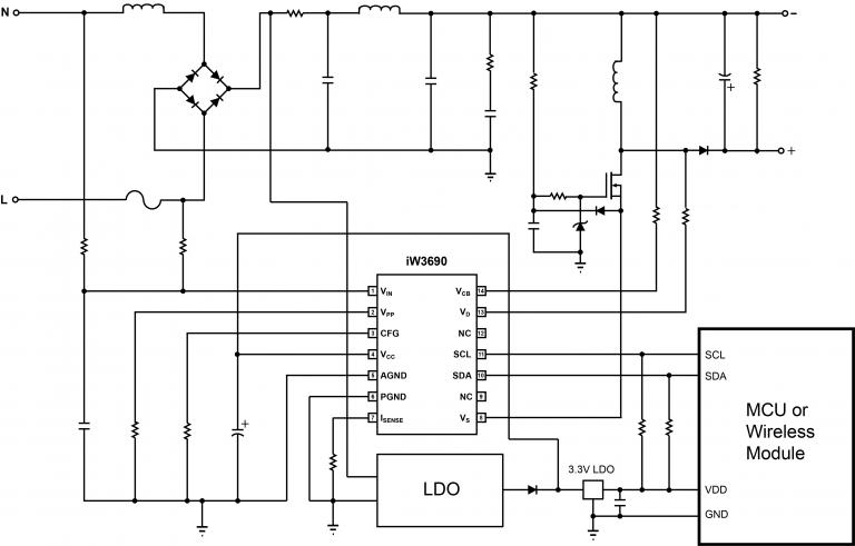
iW3690 Typical Applications Diagram

Typical Applications Diagram

To order a sample of any of our products, please complete the following form. We will provide up to five parts free of charge. Our sales department will provide pricing for samples orders exceeding five parts.

Sample Request Form

Stay connected

Get in touch with us directly through our worldwide sales offices, or contact one of our global distributors and representatives.

Inquiries Distributors and Representatives Register for newsletters
Product Briefs and Summaries
Name 达te Version
iW3690 Product Summary(425.08 KB) 29/04/2017 1.3
达tasheets
Name 达te Version
iW3690 Datasheet(1.4 MB) (Registered users only) 29/04/2017 1.4
Reference designs
Name 达te Version
Reference Design EBC20031: iW3690-01 180-264VAC, 75V/105mA BLE Dimmable LED Driver Design(1.56 MB) (Registered users only) 07/02/2017 1.0