Skip to main content

IW338.

LED Driver Secondary-Side PWM Signal Generator

iw338_typical_application_circuit_web.jpg

支持0-0.6V模拟调光

The iW338 is a generic PWM signal generator IC that converts a 0-0.6V analog voltage to an inverted 0%–100% PWM duty cycle. The PWM frequency range is set by an external capacitor and can be programmed from 100Hz to 50kHz. The output of the iW338 is a 5V PWM driver capable of driving an external optocoupler or MOSFET.

特征

输入电压:8V至60V

1%PWM占空比耐受性

可编程PWM频率范围:100Hz至50kHz

综合5V LDO

对于高达60V的输入

减少BOM计数

雷竞技安卓下载

PW.M Analog LED Dimming

Warm Dimming

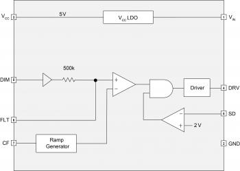
框图

iw338_typical_application_circuit_web.jpg

典型的应用程序图雷竞技安卓下载

iw338_functional_block_diagram_web.jpg.

功能框图

要订购我们任何产品的样本,请填写以下表格。雷电竞官网登录我们将免费提供多达五部。我们的销售部门将为样品订单提供超过五个部分的定价。

样本请求表格

保持联系

通过我们的全球销售办事处直接与我们联系,或联系我们的全球经销商和代表之一。

询问 经销商和代表 Register for newsletters
产品简介和摘要
Name 日期 版本
IW338产品概要(358.79 KB) 23/02/2019 1.0
数据表
Name 日期 版本
IW338数据表(715.28 KB) (Registered users only) 23/02/2019 1.0
Reference designs
Name 日期 版本
参考设计EBC20040:IW3689-11和IW338-10,230VAC输入,54V / 150mA输出可调可调光电驱动器设计,热色调调光(1.87 MB) (Registered users only) 14/06/2017 1.0
参考设计EBC20050:IW3631-00和IW338-10,90V-305V输入电压,40W输出功率,可选输出电流外置LED驱动器设计(3.31 MB) (Registered users only) 08/08/2017 1.0