跳到主要内容

IW3602

可调光固态照明的10W离线LED驱动器,1.5级

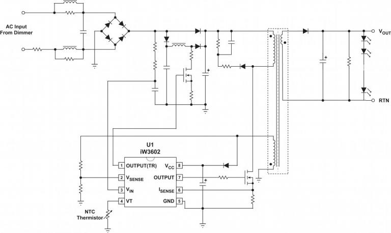
iw3602typical雷竞技安卓下载applicationsdiagram.jpg

高性能控制器优化可调光LED灯具

iW3602适用于从100VAC到230VAC的宽输入电压范围,为3W-10W LED灯具提供了有效的解决方案。结合Dialog专有的Flickerless™技术,iW3602消除LED闪烁,并允许使用行业最广泛的调光器。此外,iW3602集成了Dialog专有的PrimAccurate™主侧控制技术,通过消除对传统光耦合器和外部补偿组件的需求,最大限度地减少外部组件的数量,降低了解决方案的尺寸和成本。

IW3602集成了一个过温保护电路,在检测到过温条件时,将驱动器减小到输出LED的输出LED,从而在保护整个LED驱动电路时实现连续光输出。

特性

PrimAccurate™ - 隔离离线AC / DC控制器

集成对话框的Flickerless™技术 - 删除LED Flicker

适用于3W-10W离线LED应用雷竞技安卓下载

45Hz至66Hz线频率范围 - 50Hz / 60Hz兼容

广泛的调光力能力 - 前沿,后缘和非传统R,R-C和R-L类型 - 自动检测调光器类型

  • 1%至100%宽调光范围

自动检测和操作无调光器

准谐振模式以获得最佳效率 - 85%(无调光)

低10uA启动电流

充分保护温度,感应电阻短路,LED开路,短路和过压条件

LED温度保护-外部NTC输入减少驱动器到LED在超温条件

雷竞技安卓下载

3W-10W固态照明应用雷竞技安卓下载

调节亮度LED照明器

方框图

iw3602typical雷竞技安卓下载applicationsdiagram.jpg

典型的应用程序图雷竞技安卓下载

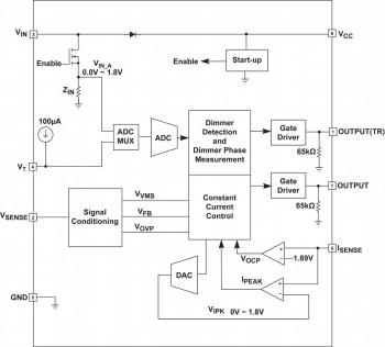
iw3602functionalblockdiagram.jpg

功能框图

如欲订购我们任何产品的样品,请填写以下表格。雷电竞官网登录我们将免费提供多达5个零件。我们销售部将提供样品订单超过5个零件的价格。

样品申请表

保持联系

请直接通过我们的全球销售办事处与我们联系,或与我们的全球分销商和代表联系。

调查 分销商和代表 注册新闻通讯
数据表
姓名 日期 版本
iW3602数据表(1.76 MB) 14/08/2015 1.0
白皮书和技术文章
姓名 日期 版本
优化led灯泡的使用寿命(807.07 KB)
从无价的家庭记忆中删除LED闪烁(843.84 KB)
什么是数字力量白皮书(597.24 KB)