Skip to main content

iW3614

高PF,离线LED驱动器,适用于3W-15W可调光固态照明

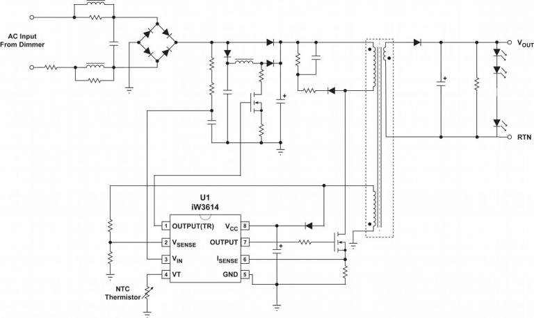
iw3614typicalapplicationsdiagram.jpg

固态可调光LED驱动器高达15W

The iW3614 is a high performance AC/DC power supply controller optimized for dimmable LED luminaires requiring high Power Factor (PF). Designed to operate from a broad input voltage range of 100VAC to 230VAC the iW3614 provides an efficient solution for solid state lighting for LED luminaires in the 3W to 15W range.

将对话框的专有Flickerless™technology, the iW3614 removes LED flicker, provides high PF (>0.9) and permits usage with the industry's broadest range of dimmers. Additionally, the iW3614 incorporates Dialog's proprietary PrimAccurate™ primary-side control technology, minimizing the external component count by removing the need for both the traditional opto-isolator and external compensation components, reducing solution size and cost.

The iW3614 integrates an innovative over-temperature protection derating feature that uses an external NTC device to monitor the temperature of an LED luminaire. The OTP derating feature protects the LED driver circuit by reducing output current drive to the LEDs during an over-temperature event, enabling continous light output even in an overheating situation.

特征

PrimAccurate™ - Isolated Off-Line AC/DC Controller

集成对话框的Flickerless™技术 - 删除LED FLICKER

Ideal for 3W to 15W Off-Line LED Applications

45Hz to 66Hz Line Frequency Range - 50Hz/60Hz Compatible

Broad Range of Dimmer Capability - Leading Edge, Trailing Edge and Non-Traditional R, R-C and R-L Types - Automatic Detection of Dimmer Type

  • 1% to 100% Wide Dimming Range - iW3614-00

自动检测并在没有调光器的情况下运行

Quasi-resonant Mode for Optimal Efficiency - >85% (Without Dimmer)

Low 10uA Start-Up Current

LED Temperature Protection - External NTC Input to Reduce Drive to LEDs in Over Temperature Condition

雷竞技安卓下载

3W to 15W Solid State Lighting Applications

Dimmable LED Luminaires

Block Diagrams

iw3614typicalapplicationsdiagram.jpg

典型的应用程序图雷竞技安卓下载

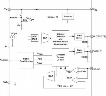
iw3614functionalblockdiagram.jpg

Functional Block Diagram

要订购我们任何产品的样本,请填写以下表格。雷电竞官网登录我们将免费提供多达五部。我们的销售部门将为样品订单提供超过五个部分的定价。

Sample Request Form

Stay connected

通过我们的全球销售办事处直接与我们联系,或联系我们的全球经销商和代表之一。

Inquiries 经销商和代表 Register for newsletters
数据表
Name 日期 版本
iW3614 Datasheet(2.06 MB) 20/02/2018 1.0
白皮书和技术文章
Name 日期 版本
Optimizing Operating Life for LED-based Light Bulbs(807.07 KB)
Removing LED Flicker from Priceless Family Memories(843.84 KB)
What is Digital Power White Paper(597.24 KB)
White Paper : International External Power Supply Regulations(219.09 KB) (Registered users only) 01/09/2014 A