Skip to main content

iW3622

Single-Stage, 45W, Non-Dimmable Off-Line Flyback LED Driver with High PF and Low Ripple

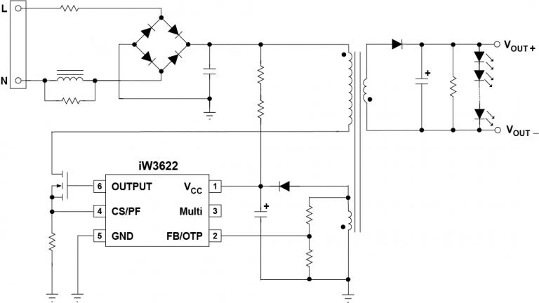
IW3622  - 典型应用程雷竞技安卓下载序-Dable.jpg

Non-dimmable LED driver

The iW3622 integrates high power factor (PF), low output ripple and low total harmonic distortion (THD) in a single-stage SSL LED driver for isolated and non-isolated, high-power, non-dimmable LED replacement bulbs and LED ballasts.

The iW3622 integrates a unique hybrid control scheme with configurable power factor between >0.7 and >0.95, to manage the trade-off between PF and LED output current ripple. This unique feature enables high PF and low ripple in a low-cost solution. And, by using a MOSFET switch, the device is capable of driving LEDs in solutions up to 45W output power. The iW3622 reduces the BOM cost and solution size by incorporating Dialog’s proprietary PrimAccurate™ technology, eliminating the need for a secondary-side regulator and optical feedback isolator. Dialog's advanced technology allows for the functionality and performance of an 8-pin part in a small SOT23 6-pin package.

For Step-Down (Buck)-Only 45W Applications, see theiW3625

Features

Configurable PF to Manage Trade-Offs Between PF and Output Ripple

  • PF.from >0.7 (Lower Ripple) to >0.95 (Higher Ripple)

Low THD <20%

SOT23 6针封装中的单级LED驱动器

  • Two Dual-Function Pins - Allows for Functionality of an 8-pin Part in a 6-pin Package

适用于45W离线固态照明应用雷竞技安卓下载

用户可配置的LED通过温度保护降级

  • Works with an External NTC or Internal Sensor
  • 可选温度阈值并达到百分比
  • 保持故障状态的光输出
  • Hysteresis Allows Smooth Transition Back to Normal Operation

Fully Protected

  • Over-Voltage/Over-Temperature Protection
  • Output Over-Voltage, Over-Current and Short Circuit
  • Open LED Fault Detection
  • Sense-Resistor Short Circuit Protection

雷竞技安卓下载

Solid State Lighting

LED Lighting Ballast

框图

IW3622  - 典型应用程雷竞技安卓下载序-Dable.jpg

Typical Applications Diagram

iw3622-functional-block-diagram.jpg

功能框图

To order a sample of any of our products, please complete the following form. We will provide up to five parts free of charge. Our sales department will provide pricing for samples orders exceeding five parts.

样本请求表格

保持联系

Get in touch with us directly through our worldwide sales offices, or contact one of our global distributors and representatives.

Inquiries Distributors and Representatives 注册新闻通讯
Product Briefs and Summaries
Name Date Version
IW3622不可忽视的LED驱动程序产品摘要(568.85 KB) 07/02/2020 1.0
Datasheets
Name Date Version
iW3622 Datasheet(1.23 MB) (Registered users only) 07/02/2020 1.0
Reference designs
Name Date Version
Reference Design EBC930B: iW3622-00, 90-264VAC, 40V/800mA, 32W Non-Dimmable LED Driver Design(2.87 MB) (Registered users only) 19/11/2015 1.0
Reference Design EBC931B: iW3622-00, 90-264VAC, 38V/400mA, 15.2W Non-Dimmable LED Driver Design(2.5 MB) (Registered users only) 19/11/2015 1.0
参考设计EBC935B: iW3622-00 90 - 305伏交流电,13岁0V/120mA, 15.6W Non-Dimmable T8 LED Driver Design(1.88 MB) (Registered users only) 19/11/2015 1.0