Skip to main content

iW3625

Single-Stage, 45W, Non-Dimmable Off-Line Buck SSL LED Driver with High PF and Low Ripple

iW3625-Functional-Block-Diagram.jpg

High power factor and low-ripple current

The iW3625 integrates high power factor (PF), low output ripple and low total harmonic distortion (THD) in a single-stage SSL LED driver for isolated and non-isolated, high-power, non-dimmable LED replacement bulbs and LED ballasts.

iW3625集成了一个独特的混合控制根据me that allows designers to select power factor between >0.7 and >0.95, to manage the trade-off between PF and LED output current ripple. This unique feature enables high PF and low ripple in a low-cost solution. With both isolated and non-isolated buck topologies instead of the traditional flyback, the iW3625 offers higher efficiency in non-isolated applications. And, by using a MOSFET switch, the device is capable of driving LEDs in solutions up to 45W output power.

iW3625减少大小的BOM成本和解决方案by incorporating Dialog’s proprietary PrimAccurate™ technology, eliminating the need for a secondary-side regulator and optical feedback isolator. Dialog's advanced technology allows for the functionality and performance of an eight pin part in a small SOT23 6-pin package.

For Buck-Boost or Flyback 45W Applications see theiW3622

Features

Configurable PF to Manage Trade-Offs Between PF and Output Ripple

  • PF.from >0.7 (Lower Ripple) to >0.95 (Higher Ripple)

High Efficiency (>90%) Buck Topology, Isolated and Non-Isolated Applications

Low THD <20%

SOT23 6针封装中的单级LED驱动器

  • Two Dual-Function Pins - Allows for Functionality of an 8-pin Part in a 6-pin Package

适用于45W离线固态照明应用雷竞技安卓下载

用户可配置的LED通过温度保护降级

  • Works with an External NTC or Internal Sensor
  • 可选温度阈值并达到百分比
  • 保持故障状态的光输出
  • Hysteresis Allows Smooth Transition Back to Normal Operation

Fully Protected

  • Over-Voltage/Over-Temperature Protection
  • Output Over-Voltage, Over-Current and Short Circuit
  • Open LED Fault Detection
  • Sense-Resistor Short Circuit Protection

雷竞技安卓下载

Solid State Lighting

LED Lighting Ballast

框图

IW3625  - 典型应用程雷竞技安卓下载序-Dably.jpg

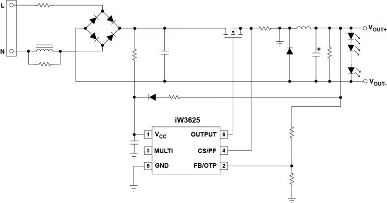
Typical Applications Diagram

iW3625-Functional-Block-Diagram.jpg

功能框图

To order a sample of any of our products, please complete the following form. We will provide up to five parts free of charge. Our sales department will provide pricing for samples orders exceeding five parts.

样本请求表格

保持联系

Get in touch with us directly through our worldwide sales offices, or contact one of our global distributors and representatives.

Inquiries Distributors and Representatives Register for newsletters
Product Briefs and Summaries
Name Date Version
iW3625 Non-Dimmable LED Driver Product Summary(400.27 KB) 11/12/2014 0.4