Skip to main content

iW3626

单级,10W离线SSL LED驱动器,具有高PF和低纹波

iw3626typicalapplicationsdiagram.jpg

High-power factor and low-ripple current

IW3626在单级SSL LED驱动器中集成了高功率因数(PF),低输出纹波和低总谐波失真(THD),用于隔离和非隔离应用,可用于60W等效的非可调LED替换灯泡的10W雷竞技安卓下载。

The iW3626 integrates a unique hybrid control scheme with configurable power factor between >0.7 and >0.9 to manage the trade-off between PF and LED output current ripple. This unique feature enables high PF and low ripple from a low-cost solution.

IW3626通过合并对话的专有PrimAccurate™技术来降低BOM成本和解决方案尺寸,从而消除了对辅助侧调节器和光学反馈隔离器的需求。对话框的高级技术允许在小SOT23 6针封装中的8针部分的功能和性能。它还使用低成本的BJT,因此不需要高压电解电容器。

特征

可配置的PF来管理PF与输出纹波之间的权衡

  • PF从> 0.7(较低的纹波)至> 0.9(更高的波纹)

Low THD <20%

SOT23 6针封装中的单级LED驱动器

  • Two Dual-Function Pins - Allows for Functionality of an 8-pin Part in a 6-pin Package

Ideal for 10W Off-Line Solid-State Lighting Applications

User-Configurable Internal LED Derating Over Temperature Protection

  • 三个可选温度阈值
  • 保持故障状态的光输出
  • Hysteresis Allows Smooth Transition Back to Normal Operation

Fully Protected

  • 过电压/过温保护
  • Output Over-Voltage, Over-Current and Short Circuit
  • 打开LED故障检测
  • 感测电阻短路保护

雷竞技安卓下载

Solid State Lighting

LED照明镇流器

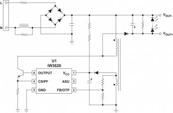
框图

iw3626typicalapplicationsdiagram.jpg

典型的应用程序图雷竞技安卓下载

iw3626functionalblockdiagram.jpg

功能框图

要订购我们任何产品的样本,请填写以下表格。雷电竞官网登录我们将免费提供多达五部。我们的销售部门将为样品订单提供超过五个部分的定价。

样本请求表格

保持联系

通过我们的全球销售办事处直接与我们联系,或联系我们的全球经销商和代表之一。

询问 经销商和代表 注册新闻通讯
产品简介和摘要
Name 日期 版本
IW3626不可忽视的LED驱动程序产品摘要(371.59 KB) 28/06/2018 1。4
白皮书和技术文章
Name 日期 版本
优化基于LED的灯泡的运动寿命(807.07 KB)
什么是数字电力白皮书(597.24 kB)