跳到主要内容

IW3629.

FLICKERLESS™两级不可忽视的数字AC / DC SSL LED驱动器,用于商业照明,可达120W

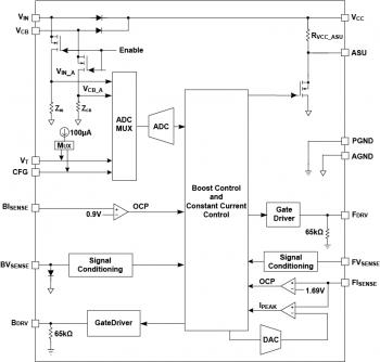
IW3629_Functional_block_diagram.jpg.

两阶段无调的LED驱动器

iW3629两级不可调光LED驱动器是一款数字离线PWM控制器,用于高达120W的固态照明应用,具有高功率因数(PF>0.95)和低THD(<10%)。雷竞技安卓下载

两级方法允许第一级升压转换器在校正功率因数时将整流的交流电压(90VAC至277VAC)转换为中间电压。然后,第二级反激式转换器向LED提供恒定电流调节。主动启动电路和快速且光滑的软启动的组合以及升压和反激阶段导致启动时间(AC插件到90%的设置LED电流)小于半秒和快速PF建立时间。

iW3629在准谐振模式下工作,以提供高效率,并使用Dialog的初级精度™ 先进的一次侧传感技术,无需二次反馈组件即可实现出色的线路和负载调节。而且,通过使用Dialog的无闪烁™ 技术上,几乎所有闪烁都从输出中消除。iW3629使用的数字控制算法可在所有操作条件下保持稳定性,无需任何外部回路补偿组件,从而将BOM成本降至最低。

生命周期状态

积极的

特征

高达120W的输出功率

整个输入电压范围和50-100%负载电流范围内的高PF(>0.95)和低THD(<10%)

Flickerless™技术

  • 几乎消除了所有LED闪烁
  • 输出电流上小于5%的线频纹波

快速启动时间<0.5

完全受保护

  • LED开路/短路保护
  • 单个故障保护
  • 电流检测电阻短路保护
  • 输入过电压和欠压保护
  • 外部NTC过度达温保护

雷竞技安卓下载

不可调光LED灯和灯具

外部照明镇流器驱动器

框图

IW3629_Functional_block_diagram.jpg.

方框图

iw3629_典型应用_dia雷竞技安卓下载gram.jpg

雷竞技安卓下载应用程序图

如需订购我们任何产品的样品,请填写以下表格。我们将免费提供多达五雷电竞官网登录个部件。我们的销售部门将为超过五个零件的样品订单提供定价。

样本请求表格

保持联系

通过我们的全球销售办事处直接与我们联系,或联系我们的全球经销商和代表之一。

询问 分销商和代表 注册新闻通讯
产品简介和摘要
姓名 日期 版本
IW3629产品摘要(374.81 kB) 2017/08/23. 1.1
数据表
姓名 日期 版本
iW3629数据表(1.37 MB) (仅限注册用户) 2017/01/13. 1.2
参考设计
姓名 日期 版本
参考设计EBC20026:IW3629-00,90-305VAC,40V / 1000mA不可忽视的高性能设计(3.6 MB) (仅限注册用户) 2016/06/29. 1.0