跳到主要内容

IW3630

FLICKERLESS™,0-10V可调光固态照明LED驱动器,具有高PF(> 0.95)

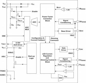
IW3630Typical雷竞技安卓下载ApplicationSdiagram1.jpg.

0-10V可调光LED驱动器

IW3630提供高达45W的输出电源,高功率因数(PF)> 0.95,总谐波失真<15%,以及用于解决高性能可调光的商业固态照明应用中的性能,成本和可靠性问题的小型BOM。雷竞技安卓下载

IW3630采用内置隔离变压器驱动器,可直接,0-10V调光,无需额外的驱动电路和微控制器。它还采用了对话框的专有PrimAccurate™初级侧控制技术,通过消除光耦合器和外部补偿组件来进一步降低BOM计数。

IW3630采用对话框的专有FLICKERLESS™技术,使用直接模拟电压或PWM信号允许完整的1%-100%无闪烁调光。它具有丰富的设计功能,提供非常强大的解决方案,集成对话的EZ-EMI®技术和多种保护功能,包括LED过温保护。

特征

高PF(> 0.95)和低THD(<15%)

PrimAccurate™ - 隔离离线AC / DC控制器

集成对话框的Flickerless™技术

  • 几乎删除所有LED闪烁

LED应雷竞技安卓下载用高达45W离线固态照明应用

45Hz至66Hz线频率范围 - 50Hz / 60Hz兼容

模拟和PWM调光兼容

  • 直接模拟控制 - 1%至100%范围
  • PWM调光有能力
  • 用于0-10V调光系统的集成隔离变压器驱动器

准谐振模式以获得最佳效率

完全受保护

  • 从直流电压紧急备份系统工作
  • 过温保护
  • 过压保护
  • 输出过电压,过电流和短路
  • 打开LED故障检测
  • 感测电阻短路保护

雷竞技安卓下载

可调光LED镇流器,具有0-10V接口,用于调光控制

具有模拟输入的可调光LED镇流器,用于调光控制

框图

IW3630Typical雷竞技安卓下载ApplicationSdiagram1.jpg.

典型的应用程序图雷竞技安卓下载

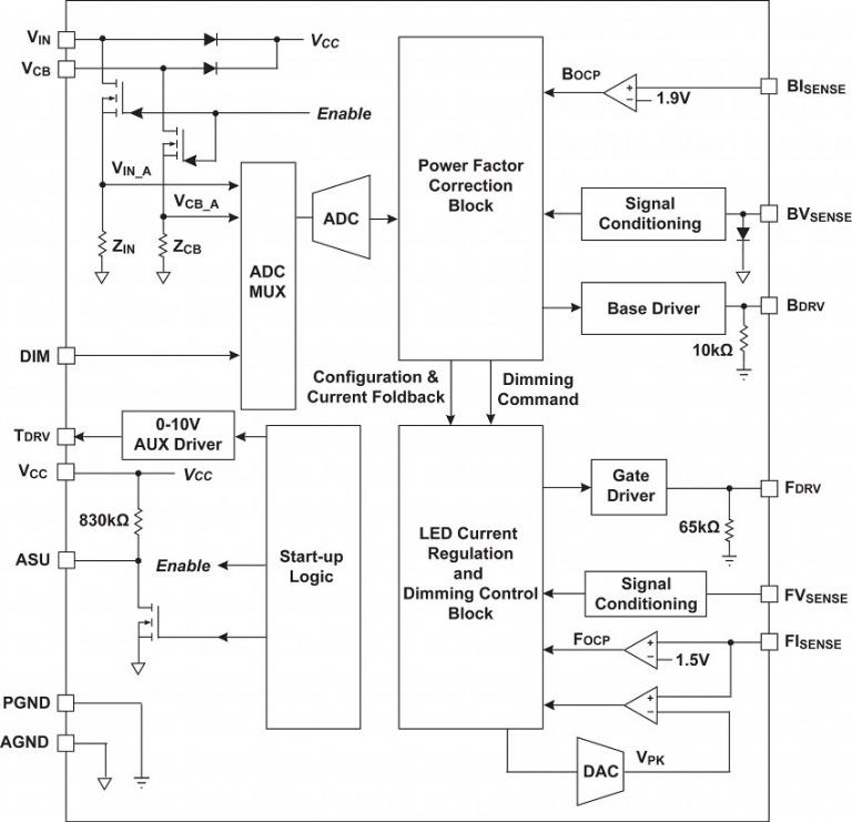
IW3630FunctionalBlockDiagram.jpg.

功能框图

要订购我们任何产品的样本,请填写以下表格。雷电竞官网登录我们将免费提供多达五部。我们的销售部门将为样品订单提供超过五个部分的定价。

样本请求表格

保持联系

通过我们的全球销售办事处直接与我们联系,或联系我们的全球经销商和代表之一。

询问 经销商和代表 注册新闻通讯
产品简介和摘要
姓名 日期 版本
IW3630 0-10V可调光LED驱动程序产品摘要(405.17 KB) 2016/01/27. 1.1
白皮书和技术文章
姓名 日期 版本
优化基于LED的灯泡的运动寿命(807.07 KB)
从无价的家庭记忆中删除LED闪烁(843.84 KB)
什么是数字电力白皮书(597.24 kB)