Skip to main content

iW3631

Flickerless™ 0-10V Dimmable Two-Stage Digital AC/DC SSL LED Driver for Commercial Lighting up to 120W

IW3631_Functional_block_diagram.jpg.

双级Flickerless™0-10V可调光的数字离线LED驱动器,具有高PF和低THD

The iW3631 two-stage LED driver is a dimmable digital offline PWM controller for solid state lighting applications up to 120W with high power factor (PF > 0.95) and low THD (< 10%). It features a built-in driver for isolation transformers that enables direct, 0-10V dimming without the need for an external MCU and driver circuit, reducing cost and complexity. The iW3631 can also be implemented to support a PWM dimming interface to simplify use in wireless SSL applications.

The iW3631 operates in a quasi-resonant mode to provide high efficiency and uses Dialog’s PrimAccurate™ advanced primary-side sensing technology to achieve excellent line and load regulation without secondary feedback components. The digital control algorithms used by the iW3631 maintain stability over all operating conditions without the need for any external loop compensation components, minimizing the BOM cost.

The iW3631 can be paired with Dialog'sIW337.3合1调光接口。

特征

Integrated 0-10V Dimming Transformer Driver for 0-10V Dimming Systems

Analog Dimming Input Pin – Wireless Dimming System Compatible

高达120W的输出功率

High PF (> 0.95) and Low THD (< 10%) Over Entire Input Voltage Range and 50-100% Load Current

Flickerless™ Technology

  • Eliminates Virtually All LED Flicker
  • <5%线频率纹波上输出

Fast Start-up Time (<0.5s)

Fully Protected

  • LED开放式/短路保护
  • Single Fault Protection
  • Current Sense Resistor Short Protection
  • Input Over-Voltage and Brown-Out Protection
  • 基于接合传感器的过温保护

雷竞技安卓下载

0-10V Dimmable LED Ballasts up to 90W

Dimmable LED Ballasts with Analog Input up to 90W

Wireless SSL Lighting Systems

Block Diagrams

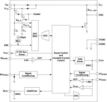
iw3631_typical_雷竞技安卓下载applications_diagram.jpg.

典型的应用程序图雷竞技安卓下载

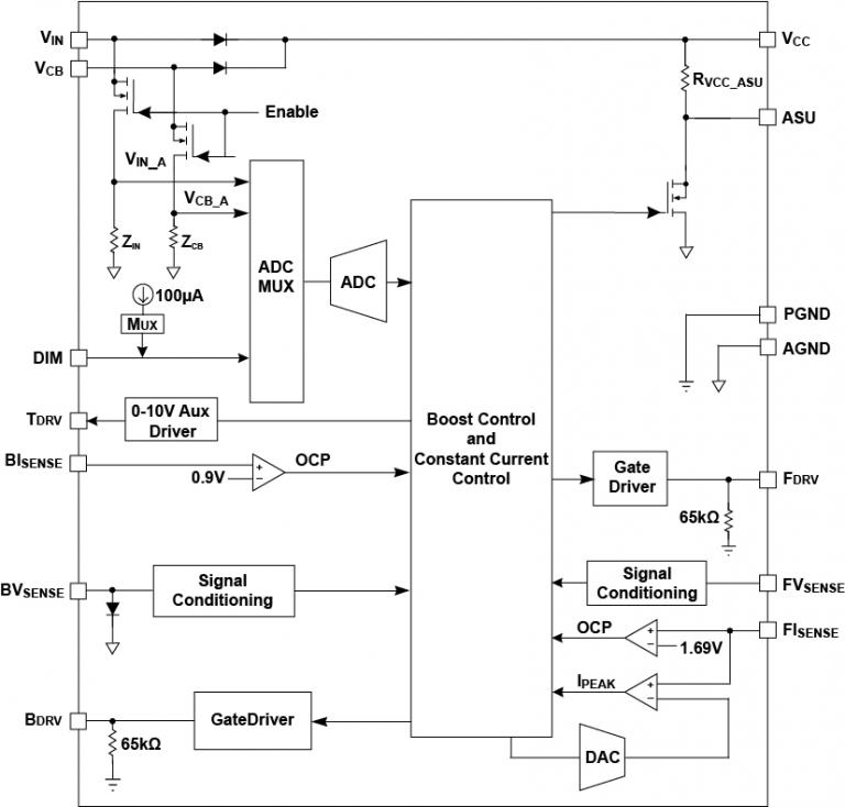
IW3631_Functional_block_diagram.jpg.

Functional Block Diagram

要订购我们任何产品的样本,请填写以下表格。雷电竞官网登录我们将免费提供多达五部。我们的销售部门将为样品订单提供超过五个部分的定价。

Sample Request Form

Stay connected

通过我们的全球销售办事处直接与我们联系,或联系我们的全球经销商和代表之一。

Inquiries 经销商和代表 Register for newsletters
产品简介和总结
Name 日期 版本
IW3631产品摘要(374.68 KB) 23/01/2017 1.1
数据表
Name 日期 版本
IW3631数据表(1.44 MB) (Registered users only) 23/01/2017 1.2
申请笔记
Name 日期 版本
Application Note 2101 - 0-10V Analog Dimming(337.21 KB) (Registered users only) 2017/03/10. 1.0
Reference designs
Name 日期 版本
Reference Design EBC20027: iW3631-00, 90-305VAC, 24-48V/2000mA 0-10V Dimmable High Performance Design(4.06 MB) (Registered users only) 01/02/2017 1.0
Reference Design EBC20028: iW3631-00, 90-305VAC, 40V/1000mA High PF 0-10V Dimmable High Performance Design(3.18 MB) (Registered users only) 07/02/2017 1.0
参考设计EBC20050:IW3631-00和IW338-10,90V-305V输入电压,40W输出功率,可选输出电流外置LED驱动器设计(3.31 MB) (Registered users only) 08/08/2017 1.0
Reference Design EBC20051: iW3631-00 and iW337-30, 90V-305V Input Voltage, 40W 0-10V Dimmable External LED Driver Design(4.29 MB) (Registered users only) 21/02/2018 1.0