跳到主要内容

iW620

AC / DC适配器接口IC与Qualcomm®QuickChark™2.0技术兼容

不推荐新设计-见iW636

IW620  - 典型应用程雷竞技安卓下载序 - 图.jpg

专有的主次通信技术

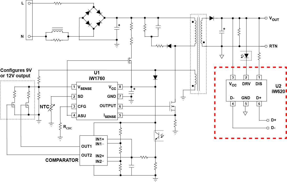
The iW620 is a Rapid Charge™, AC/DC adapter interface IC that resides on the secondary side of the AC/DC power supply and works with Dialog’s iW1760B(40W) and iW1699B(12W) primary-side digital PWM controllers to enable Qualcomm Quick Charge 2.0 technology-compliant power supplies for smartphones and tablets. Efficiency as high as 88% enables the higher power density needed for smaller form-factor fast charging adapters.

Qualcomm Quick Charge 2.0技术规范允许对适配器的输出进行电压定位,从而将充电时间减少到当前充电时间的75%。iW620可编程,专利主动快速输出电压放电从9V或12V到5V,确保安全运行。因此,当从Qualcomm Quick Charge 2.0技术支持的手机上拔下USB线,然后与非Quick Charge 2.0手机一起使用时,iW620将输出电压快速放电至5V,以保护手机免受损坏。

在5V下工作时,IW620进入待机模式,绘制小于120UA的电流,允许整体解决方案保持小于30MW的无负载功耗。

IW620验证了UL。阅读IW620的UL验证证书。

Qualcomm®Quick Charge™是Qualcomm Technologies, Inc.的产品。

对于新的Qualcomm快速充电2.0设计,见iW626

特性

支持高通®快速充电™2.0技术高压专用充电端口(HVDCP)A类应用程序 - 5V,9V和12V输出。雷竞技安卓下载

UL验证了

向后兼容USB电池充电规范修订版1.2(USB BC1.2)专用充电端口(DCP)

低OFF-state电流<120mA

宽输入电压范围- 3V至25V

内置光电耦合器驱动器,具有驱动功能的2mA

6引脚SOT-23封装

故障保护

  • 销钉短路保护
  • 浮销检测

雷竞技安卓下载

便携式电子产品的电源适配器。

Qualcomm®Quick Charge™2.0技术hvdcp支持的适配器。

框图

IW620  - 典型应用程雷竞技安卓下载序 - 图.jpg

典型的应用程序图雷竞技安卓下载

iw620-functional-block-diagram-diagram.jpg

功能框图

如欲订购我们任何产品的样品,请填写以下表格。雷电竞官网登录我们将免费提供多达5个零件。我们销售部将提供样品订单超过5个零件的价格。

样本请求表格

保持联系

请直接通过我们的全球销售办事处与我们联系,或与我们的全球分销商和代表联系。

调查 分销商和代表 注册通讯
产品简介和摘要
名称 日期 版本
IW620产品摘要(394.46 KB) 12/05/2014 0.9