跳到主要内容

IW629

二级侧接口IC支持Qualcomm®QuickChark™2.0技术适配器,具有D + / D-OVP保护

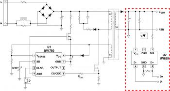
iw629-typical-雷竞技安卓下载applications-diagram.jpg

辅助控制器允许快速充电QC2.0的移动设备

IW629是一种快速充电™二级接口和通信IC,适用于IW1780初级侧AC / DC数字控制器,以支持智能手机和平板电源的低成本高通电荷2.0适配器解决方案,具有双层电缆保护功能。

IW629将对话框的专有的二次到主数字通信技术与OW1780 AC / DC控制器中继命令中继到IW1780 AC / DC控制器。IW629 + IW1780芯片组提供高达88%的效率,以实现小型快速充电适配器所需的较高功率密度。

IW629包括USB连接器上的D + / D引脚的专有过电压保护功能,除了集成在IW1780中的SmartDefender™高级打嗝技术,可在主和次级侧面提供电缆软短路保护。

Qualcomm.®快速充电™是Qualcomm Technologies,Inc。的产品

请参阅主侧控制器iW1780

特征

支持Qualcomm.®快速充电™2.0技术高压专用充电端口(HVDCP)应用 - 5V和9V输出。雷竞技安卓下载

双层电缆保护

  • 副侧面(IW629):专有D + / D-过电压保护(OVP)地址VBUS D + / D-软短路
  • 初级侧(IW1780):IW1780中的SmartDefender™Smart HiCcup技术在没有闩锁的情况下降低了故障条件下的平均输出功率

向后兼容USB电池充电规范修订版1.2(USB BC1.2)专用充电端口(DCP)

Pin-to-Pin兼容iW626

专有的二级通信技术

  • 继电器输出电压请求,输出电流限制,输出电压下划线和输出过电压保护,故障和复位信号
  • 从iW629(辅助)到iW1780(主)的单光耦继电器信息

可编程活动快速放电开关

  • 在便携式设备拔下插头或根据要求将VOUT从9V快速放电至5V

<10MW无负载待机功耗在5V稳态操作

6-lead SOT-23包

附加保护功能

  • 引脚间短路保护
  • 浮销检测

雷竞技安卓下载

快速充电™ 移动电子设备用电源适配器

Qualcomm.®快速充电™2.0技术HVDCP(5V,9V)适配器

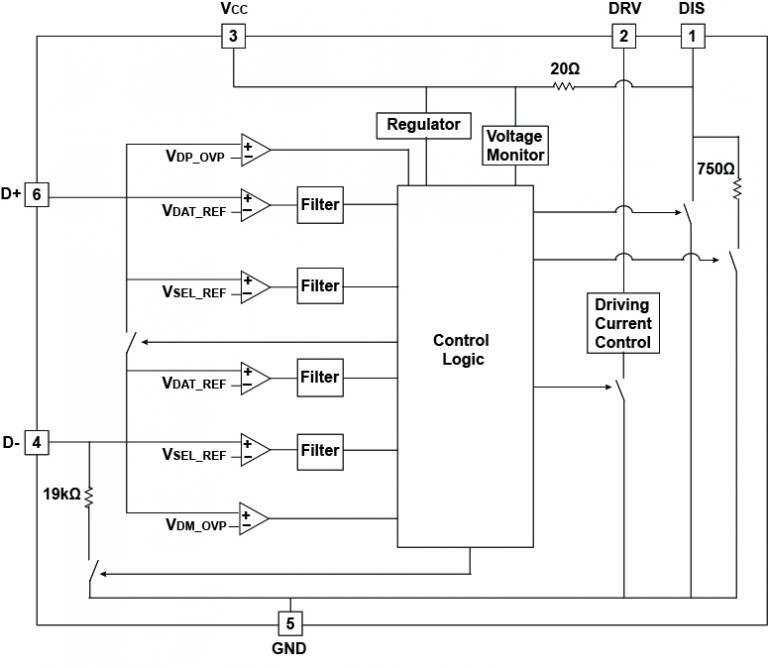
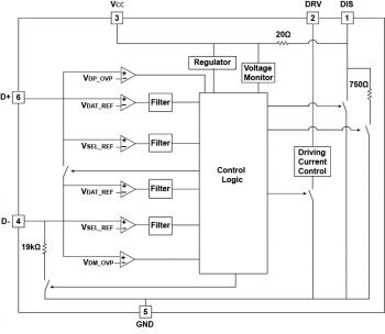
方框图

iw629-typical-雷竞技安卓下载applications-diagram.jpg

典型的应用程序图雷竞技安卓下载

iw629-functional-block-diagram.jpg

原理框图

要订购我们任何产品的样本,请填写以下表格。雷电竞官网登录我们将免费提供多达五部。我们的销售部门将为样品订单提供超过五个部分的定价。

申请表格样本

保持联系

通过我们的全球销售办事处直接与我们联系,或联系我们的全球经销商和代表之一。

询问 经销商和代表 注册通讯
产品简介和摘要
姓名 日期 版本
IW629产品概要(385.27 KB) 12/10/2015 0.5
数据表
姓名 日期 版本
IW629 Datasheet.(556.15 KB) (仅限注册用户) 2015年3月30日 0.8