跳到主要内容

iW3688型

Advanced, Single-Stage, LED Driver Offers Best Dimming Performance and Dimmer Compatibility with Low BOM for 20W Retrofit Bulbs

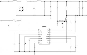
iW3688-Typical-雷竞技安卓下载Applications-Diagram.jpg

卓越的调光器兼容性和性能

IW3688单级SSL LED驱动器提供光滑,闪烁,无光调的调光性能,以及卓越的逐方逐方逐方调光器,包括最具挑战性的三端双向可控硅和数字调光器。

对话’s patented digital algorithms eliminate more than 20 components, including the external bleeder circuit, enabling integrated active biasing for high performance dimming at a lower BOM cost compared to conventional bleeder circuits. The iW3688 also works with off-the-shelf inductors to further reduce the BOM.

完全保护功能包括对话框的独特过温保护(OTP)降额,可将温度监控密封的LED灯泡内的温度,如果温度升高在安全操作阈值上方,则无缝地将驱动器减少到LED,然后随温度下降恢复亮度。IW3688集成了温度传感器并允许用户配置OTP阈值。

对于更高的电源应用,请参阅雷竞技安卓下载iW3600型iW3605型

Features

Single-Stage Operation

输出功率:3W至20W

Low BOM Cost

  • 使用低成本,现成的感应器
  • Low External Component Count
  • No Added Cost for Potting

Widest Dimmer Compatibility

  • 三条双向自动射游和数字
  • 自动检测调光器类型

最高性能的相位截止调光

  • 优异的AC线路畸变免疫 - 无闪光运行
  • Wide Dimming Range: 1% to 100%
  • 可配置调光参数

高功率因数(PF)> 0.95

低总谐波失真(THD)<20%

内置,可配置的超温保护与LED电流自动降额

雷竞技安卓下载

Dimmable Retrofit Bulbs up to 20W: A-style, BR, candle, GU10, PAR

外部照明镇流器驱动器

T8 LED管

框图

iW3688-Typical-雷竞技安卓下载Applications-Diagram.jpg

Typical Applications Diagram

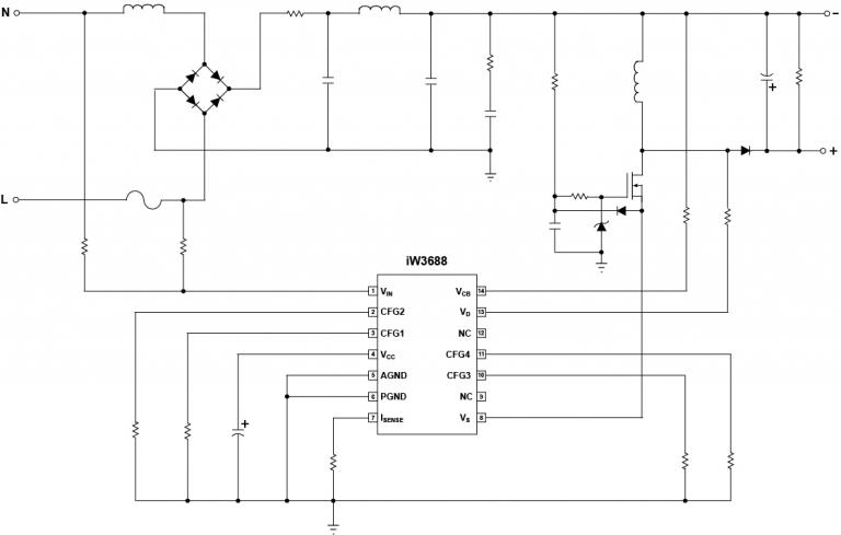
IW3688-Functional-Block.jpg

功能框图

欲订购本公司任何产品的样品,请填写以下表格。我们将免费提供多达五雷电竞官网登录个零件。我们的销售部门将为超过五个零件的样品订单提供定价。

样本请求表格

保持联系

直接通过我们的全球销售办事处与我们联系,或联系我们的全球分销商和代表之一。

查询 Distributors and Representatives Register for newsletters
产品简介和总结
姓名 Date Version
iW3688型Product Summary(377.68 KB) 27/01/2016 1.1
数据表s
姓名 Date Version
iW3688型数据表(1.54 MB) (仅限注册用户) 08/04/2016 1.2
参考设计
姓名 Date Version
Reference Design EBC970B: iW3688-01, 230VAC Input, 75V/120mA Output, 9W Dimmable LED Driver(1.76 MB) (仅限注册用户) 04/11/2015 1
参考设计EBC971B:iW3688-00 120VAC输入,72V/125mA输出,9W可调光LED驱动器(1.93 MB) (仅限注册用户) 04/11/2015 1
Reference Design EBC972B: iW3688-00 120VAC Input, 60V/130mA Output, 7.8W Dimmable LED Driver(1.55 MB) (仅限注册用户) 04/11/2015 1
Reference Design EBC973B: iW3688-01 120VAC Input, 36V/120mA Output, 4.3W Dimmable LED Driver(2.38 MB) (仅限注册用户) 04/11/2015 1
参考设计EBC974B:IW3688-21 230VAC输入,45V / 450mA输出,20W可调光电驱动器(1.66 MB) (仅限注册用户) 04/11/2015 1
视频缩略图,单击打开并播放

雷竞技电竞平台对话框iW3688

视频缩略图,单击打开并播放

雷竞技电竞平台对话框iW3688(Chinese)