Skip to main content

iW3628

Single-Stage, 20W Non-Dimmable Off-Line SSL LED Driver with High PF and Low Ripple

Not Recommended for New Designs

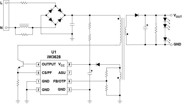
iW3628-Typical-Applications-Diagram.jpg

High-power factor and low-ripple current

The iW3628 integrates high power factor (PF), low output ripple and low total harmonic distortion (THD) in a single-stage SSL LED driver for isolated and non-isolated, 20W, non-dimmable LED replacement bulb applications.

The iW3628 integrates a unique hybrid control scheme that allows designers to configure PF between >0.7 and >0.9 to manage the trade-off between PF and LED output current ripple. This unique feature enables high PF and low ripple from a low-cost solution.

The iW3628 reduces the BOM cost and solution size by incorporating Dialog’s proprietary PrimAccurate™ technology, eliminating the need for a secondary side regulator and optical feedback isolator. It also uses lower-cost BJTs, so there is no need for high-voltage electrolytic capacitors.

特征

Configurable PF to Manage Trade-Offs Between PF and Output Ripple

  • PF从> 0.7(较低的纹波)至> 0.9(更高的波纹)

Low THD <20%

适用于20W离线固态照明应用雷竞技安卓下载

User-Configurable Internal LED Derating Over-Temperature Protection

  • Three Selectable Temperature Thresholds
  • 保持故障状态的光输出
  • Hysteresis Allows Smooth Transition Back to Normal Operation

Fully Protected

  • Over-Voltage/Over-Temperature Protection
  • Output Over-Voltage, Over-Current and Short Circuit
  • Open LED Fault Detection
  • Sense-Resistor Short Circuit Protection

雷竞技安卓下载

Solid State Lighting

LED Lighting Ballast

框图

iW3628-Typical-Applications-Diagram.jpg

Typical Applications Diagram

iW3628-Functional-Block-Diagram.jpg

功能框图

To order a sample of any of our products, please complete the following form. We will provide up to five parts free of charge. Our sales department will provide pricing for samples orders exceeding five parts.

样本请求表格

保持联系

Get in touch with us directly through our worldwide sales offices, or contact one of our global distributors and representatives.

Inquiries Distributors and Representatives Register for newsletters
Product Briefs and Summaries
Name Date Version
iW3628 Non-Dimmable LED Driver Product Summary(473.95 KB) 14/08/2014 1.2