跳到主要内容

IW657P.

USB电源传递3.0接口控制器,具有集成电流意义

iw1799_iw657p_typical_雷竞技安卓下载applications_diagram _-_ web_v1_5.jpg

支持s USB Power Delivery 3.0, Qualcomm®快速充电™4+,直接充电适配器

IW657P USB电源输送(USB PD)3.0接口控制器位于AC / DC电源的次级侧,并管理电源适配器和移动设备之间的通信。

IW657P与对话框合作(IW1791.IW1797.IW1799RapidCharge™primary-side controller and supports fast charging protocols, including USB PD 3.0, Qualcomm Quick Charge 4+ and direct charging. It transmits all necessary information via an optocoupler to the primary side, including voltage requests, output current limits, output voltage undershoot, output over-voltage, and fault and reset signals. It also offers an optional secondary-side current sensing circuit to provide additional over-load fault protection.

IW657P也适用于对话框IW676.synchronous rectifier, which eliminates the need for a parallel Schottky diode for higher efficiency and lower BOM cost.

Qualcomm® Quick Charge™ is a product of Qualcomm Technologies, Inc.

特征

支持多个速克协议:

  • USB PD 3.0 PPS(可编程电源)
  • Qualcomm®QuickCharm™4+
  • 直信
  • 其他速克协议

USB-IF PD 3.0认证(USB PD 3.0 + PPS)

Compatible with USB Type-C™ Rev. 1.2

支持s wide output voltage range from 3.3 to 21V

NMOS VBUS Switch Lowers System Cost

VCONN支持智能电缆

Integrated Current Sense

用于所有快速充电信息的单个光耦合器

低载电功耗<20MW

High Efficiency up to 90%

Double-Layer Cable Protection:

  • Secondary side (iW657P): D+/D-/CC1/CC2 Overvoltage Protection; Optional Secondary-Side Current Sensing Circuit for Over-Load Fault Protection
  • 小侧(IW1791.IW1797.IW1799):高级电缆故障保护可降低故障的平均输出功率

自动交流闭塞检测

  • Protects Phone Battery from Damage Due to High Voltage Exposure if Charger is Unplugged then Re-Plugged into Mains with Charging Cable Still Connected

雷竞技安卓下载

我们B PD 3.0 AC/DC Power Adapters for Smartphones, Tablets, Laptops and Other Mobile Devices

USB PD 3.0电源适用于机顶盒,显示器,扬声器

USB PD 3.0内壁插座

带USB PD 3.0端口的灯具和​​照明灯具

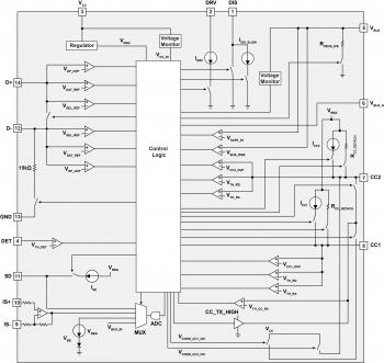
框图

iw657p_functional_block_diagram-web.jpg.

IW657P功能框图

iw657p_typical_雷竞技安卓下载applications_diagram-web.jpg.

IW1791 / IW657P典型应用图雷竞技安卓下载

iw1797_iw657p_typical_雷竞技安卓下载applications_diagram _-_ web.jpg

IW1797 / IW657P典型应用图雷竞技安卓下载

iw1799_iw657p_typical_applications_diagram_-_web_v1_2.jpg

IW1799 / IW657P典型应用图雷竞技安卓下载

要订购我们任何产品的样本,请填写以下表格。雷电竞官网登录我们将免费提供多达五部。我们的销售部门将为样品订单提供超过五个部分的定价。

样本请求表格

保持联系

通过我们的全球销售办事处直接与我们联系,或联系我们的全球经销商和代表之一。

Inquiries 经销商和代表 注册新闻通讯
Product Briefs and Summaries
名称 日期 版本
IW657P产品摘要(612.87 KB) 30/03/2020 1.1
数据表
名称 日期 版本
IW657P数据表(1.22 MB) (Registered users only) 02/11/2020 1.1
Reference designs
名称 日期 版本
Reference Design EBC10215: iW1791-02, iW657P-27-92 and iW676-00 27W (33W Max) USB PD&PPS 5V/3A,6V/3A,7V/3A,9V/3A,12V/2.25A, 5V PPS (3.3V-5.9V/3A) and 9V PPS (3.3V-11V/3A) Design(3.47 MB​​) (Registered users only) 28/03/2018 1.0
参考设计EBC10216: iW1791-02 iw657p - 27 - 93and iW676-00 27W (CP) USB PD&PPS 5V/3A,6V/3A,7V/3A,9V/3A,12V/2.25A, 5V PPS (3.3V-5.9V/3A) and 9V PPS (3.3V-11V/3A) Design(3.44 MB) (Registered users only) 30/03/2018 1.0
参考设计EBC10217:IW1781-30,IW657P-45-94和IW676-00 45W(CP)USB PD&PPS 5V / 3A,9V / 3A,15V / 3A,20V / 2.25A 5V PPS(3.3V-5.9V / 3A),9V PPS(3.3V-11V / 3A),15V PPS(3.3V-15V / 3A)和15-16V 45W CP设计(5.33 MB) (Registered users only) 30/03/2018 1.0
参考设计EBC10218:IW1791-02,IW657P-18-90和IW676-00 18W(22W MAX)USB PD&PD 5V / 3A,6V / 3A,7V / 2.55A,8V / 2.25A,9V / 2A 5V PPS(3.3V-5.9V / 3A)和9V PPS(3.3V-11V / 2A)设计(3.46 MB) (Registered users only) 30/03/2018 1.0
Reference Design EBC10219: iW1791-02, iW657P-18-91 and iW676-00 18W (CP) USB PD&PPS 5V/3A,6V/3A,7V/2.55A,8V/2.25A, 9V/2A 5V PPS (3.3V-5.9V/3A) and 9V PPS (3.3V-9V/2A, 9-11V/CP 18W) Design(3.4 MB) (Registered users only) 30/03/2018 1.0
参考设计EBC10222:IW1799-02 + IW657P-27-93B + IW676-00 27W USB PD PP PPS恒功率设计(3.71 MB) (Registered users only) 2019/08/2019 1.0
Reference Design EBC10223: iW1799-02 + iW657P-27-92B + iW676-00 33W USB PD PPS Design(3.93 MB) (Registered users only) 2019/08/2019 1.0
Reference Design EBC10224: iW1799-32 + iW657P-45-94B + iW676-00 45W USB PD PPS 48W Max Design(5.61 MB) (Registered users only) 2019/08/2019 1.0
Reference Design EBC10225: iW1799-32 + iW657P-65-F0 + iW676-00 65W USB PD PPS Electronically Marked Cable (EMC) Design(3.68 MB) (Registered users only) 03/09/2019 1.0
Reference Design EBC10240: iW1797-05 + iW676-00 + iW657P-27-92 USB PD PPS 27W Design(3.58 MB) (Registered users only) 15/07/2020 1.0