- 雷电竞官网登录
- Power Management
- rayapp
- L竞技
- Sensors
- Lighting
- Custom Mixed-Signal ICs (ASICs)
- Power Conversion
- Power Switching
- Memory
- Silicon IP
- GreenPAK Configurable Mixed-Signal
- Timing
- Communications
- IO-Link
- Industrial and Automotive ASICs
- Industrial Edge Computing
- IOX Expansion Module
- IzoT Commissioning Tool (CT)
- IzoT Net Server
- IzoT SDK 2
- IzoT ShortStack SDK
- LNS DDE Server
- LON Upgrade
- LonScanner FX Protocol Analyzer
- Smart Edge Platform
- SmartServer IoT
- SmartServer IoT™ Partner Program
- SmartServer™ IoT Edge Server
- U10 USB Network Interface
- U20 USB Network Interface
- U60 DIN USB Expansion Modules
- U60 FT USB Network Interface Module
- U70 PL-20 USB Network Interface
- Current Control
- Motor Control
- Display
- Modules
- Longevity Program
- Product Selector
- Document Search
- 雷竞技安卓下载
- Application Solution Diagrams
- Connected Health
- Connected Consumer
- Connected rechargeable E-cigarette
- True Wireless Stereo
- USB Type-C ANC Headset
- Beacon, Tracker, Findable
- DECT Ambient Noise Cancellation (ANC) Headset
- Rechargeable E-Cigarette
- Game Controller
- Feature-rich Rechargeable E-Cigarette
- Rechargeable Game Controller
- Bluetooth ANC Headset
- Toothbrush
- Electric MP3 toothbrush
- Voice RCU
- Animal Tracker / Location Tracker
- POS Terminals
- Wall-to-Battery & Direct Charging
- Smart Home
- Smart Appliances
- Industrial & Infrastructure
- Smart Lighting
- Wearables
- Configurable Mixed-signal IC Solutions
- Smart Home
- Home Appliances
- Networking
- Automotive
- Industrial
- Smart Meters
- SoC PMIC Solutions
- Communications
- Connected Medical
- Transportation
- Application Solution Diagrams
- Support
- 雷电竞下载app
You are here
iW1791
iW1791
Reduced BOM Cost 27W Rapid Charge™ AC/DC Digital Controller
A team of engineers is ready to answer your questions
Supports USB Power Delivery 3.0, Qualcomm®Quick Charge™3.0 and 2.0, and Direct Charge Adapters; Companion to theiW657PUSB PD 3.0 Controller
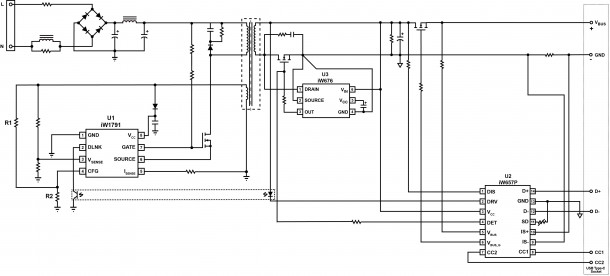
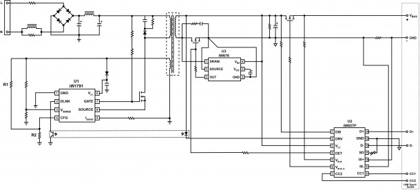
The iW1791 is a 27W output, high performance AC/DCRapidCharge™power supply controller that supports USB Power Delivery (USB PD 3.0) and other rapid charging protocols. The device uses advanced source charging technology to integrate additional high voltage components and reduce the overall BOM cost in travel adapter applications.
It is optimized to work with Dialog’siW657PUSB PD interface controller in mobile device adapters to achieve fast and smooth voltage transition on request from the mobile device. The iW657P accepts fast charging protocols, including USB PD 3.0 and transmits all necessary information via an optocoupler to the iW1791, including voltage requests, output current limits, output voltage undershoot, output over-voltage, and fault and reset signals.
A full array of protection features includes Dialog’sSmartDefender+™advanced hiccup technology to address soft short circuits in charger cables and connectors, helping to prevent excessive heat build-up and damage. Learn more aboutSmartDefender+advanced hiccup technologyhere.
See theiW1781for 45W USB PD 3.0 designs.
Qualcomm® Quick Charge™ is a product of Qualcomm Technologies, Inc.
Features
- Output power up to 27W
- Optimized to Work withiW657Pto Support Multiple RapidCharge Protocols:
- Qualcomm®Quick Charge™4+
- Direct Charge
- Proprietary Secondary-To-Primary Digital Communication and Built-In Decoder:
- Reduces BOM and Significantly Simplifies Design
- Single Optocoupler for All Rapid Charging Information
- VCCSource Charging Technology – Reduces BOM and Keeps High Efficiency
- Eliminates External Start-up Device
- High Efficiency up to 90%
- Low No-Load Power Consumption <20mW
- Robust Protection Features
- Output Over-Voltage Protection
- Over-Current Protection
- SmartDefender+™Advanced Hiccup Technology
- Helps Protect Cables and Connectors from Excessive Heat and Damage by Reducing Average Power During Short Circuit by at Least 75%
雷竞技安卓下载
- USB PD 3.0, Qualcomm® Quick Charge™ 4+, Direct Charge, Other RapidCharge™ Protocols
- USB PD 3.0 AC/DC Power Adapters for Smartphones, Tablets, Laptops and Other Mobile Devices
- USB PD 3.0 Power Supplies for Set Top Boxes, Displays, Speakers
- USB PD 3.0 in-the-wall receptacles
- Lamps and lighting fixtures with USB PD 3.0 ports
Block Diagrams
Typical Applications Diagram
Functional Block Diagram
Resources
| Date | Version | |
|---|---|---|
| iW1791 Product Summary | 05/05/2020 | Rev. 1.6 |
For technical support or information on how to buy, contact us directly.
Need technical help?
Visit our support web site to:
- Get help from Dialog experts online.
- Search the forums.
- Access software, drivers, tools & utilities.