iW1760型

iW1760型

不推荐用于新设计

一组工程师准备回答你的问题

不推荐用于新设计 - 见iW1760B型

离线数字绿色模式准谐振PWM控制器

IW1760是一个高性能AC / DC控制器,旨在在PWM反激电源中驱动外部电源N沟道MOSFET。随着输出功率的输出功率范围为15W至40W,IW1760非常适用于用于消费电子产品的便携式电子和电源的通用输入墙体适配器。

IW1760通过提供无负荷功耗<50MW的同时符合主动模式最低效率要求,符合美国DOE的外部电源标准和欧盟的行为准则,第5版,第2层标准。其他功能包括对话框的专有EZ-EMI公司™技术,5个可选电缆和连接器电压降补偿电压和鲁棒操作,通过过电压和过温可靠,可选择锁定关闭状态或自动复位。

有关iW1760 Ultrabook的信息™ 解决方案,请参见参考设计第页。

有关较低的输出纹波,请参阅iW1760B型.

特征

  • 符合DoE外部电源法规和EU CoC版本5,Tier 2
    • 空载功耗小于50mW
  • 高输出功率-范围为15W至40W
  • 低600A启动电流
  • 可选择电压偏移补偿,用于电缆和连接器中的电压损耗(5个选项)
    • 通过单电阻可选择
  • PrimAccurate™ - 初级侧控制,无需光耦合器
  • 内在低噪声解决方案 - 整个操作范围内没有可听噪声

特征

  • 自适应多模PWM / PFM控制,用于跨负载范围的最佳效率
  • EZ-EMI公司™ 设计易于满足全球电磁干扰规范
  • 快速动态负载调节
  • 完全免受故障条件的影响
    • 过电压/过温保护(闩锁选项)
    • 输出过压、过流
    • 输入欠压保护
    • 感测电阻短路保护

雷竞技安卓下载

  • 便携式电子设备用电源适配器
  • 快速充电™ 启用的适配器
  • 消费电子电源
  • 线性交直流电源更换

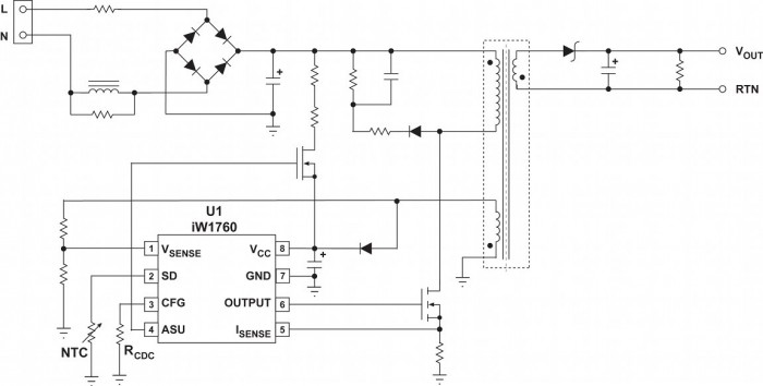
方块图

典型应用示意图雷竞技安卓下载
,
功能框图

资源

产品简介和总结
日期 版本
IW1760产品简报 13/03/2018 版次。0.4
白皮书和技术文章
日期 版本
什么是数字电源白皮书

有关如何购买的技术支持或信息,请直接与我们联系。

请求样本联系我们注册新闻稿

需要技术帮助吗?

访问我们的支持网站:

  • 在线获取对话专家的帮助。
  • 搜索论坛。
  • 访问软件、驱动程序、工具和实用程序。