IW1761.

IW1761.

PrimAccurate™高性能N沟道MOSFET数字PWM控制器,适用于电源适配器

一支工程师组织准备回答你的问题

可选电缆滴补偿

IW1761是一个高性能AC / DC控制器,设计用于驱动外部电源N通道MOSFET,用于峰值电流模式PWM反激电源。IW1761为10W-12W的输出功率进行了优化,是便携式电子产品中的功率适配器,如智能手机和介质平板电脑。

IW1761轻松符合美国DOE的外部电源标准和欧盟的行为准则,第5版,第2层标准,无负载功耗小于10MW,同时符合主动模式效率要求。作为一个primAccurate™控制器,IW1761不需要任何直接的二级反馈组件,无需光耦合器,降低组件计数和解决方案成本。其他功能包括对话框的专有EZ-EMI™技术,自适应多模PWM / PFM控制,以实现所有负载的最佳效率,5个可选电缆和连接器电压降补偿电压,鲁棒操作,完全保护免受过电压和过温。

特征

  • 轻松符合DOE外部电源和欧盟行为准则,版本5,第2层标准
    • 小于10MW无负荷功耗
  • 主动启动可降低导通时间而不会影响空载功耗
  • 优化输出功率范围为10W至12W
  • 超低300A的无负载工作电流
  • 89KHz PWM开关频率
  • 可选择电压偏移补偿,用于电缆和连接器中的电压损耗(5个选项)
    • 通过单电阻可选择

特征

  • PrimAccurate™ - 初级侧控制,不需要光电耦合器
  • 内在低噪声解决方案 - 整个操作范围内没有可听噪声
  • 自适应多模PWM / PFM控制,用于跨负载范围的最佳效率
  • EZ-EMI™设计可轻松满足全球EMI规范
  • 快速动态负载调节
  • 完全免受故障条件的影响
    • 过电压/过温保护
    • 输出过电压和过电流
    • 输入欠压保护
    • 感测电阻短路保护

雷竞技安卓下载

  • 智能手机和媒体片剂的电源适配器
  • 用于消费电子产品的AC / DC适配器
  • 针对通用输入AC / DC适配器(10W-12W)进行了优化

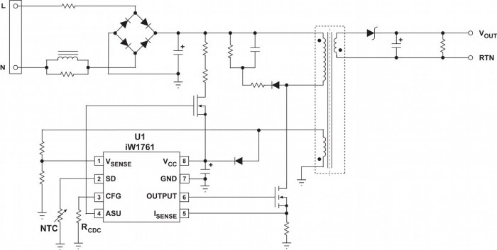
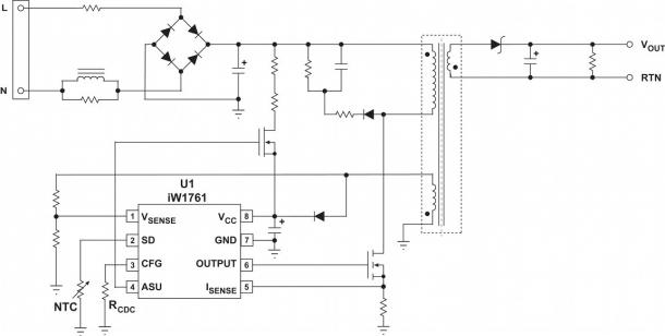
框图

典型的应用程序图雷竞技安卓下载
功能框图

资源

产品简介和摘要
日期 版本
IW1761产品简报 28/06/2012 Rev. 0.6
白皮书和技术文章
日期 版本
什么是数字电力白皮书

有关如何购买的技术支持或信息,请直接与我们联系。

请求样本联系我们注册时事通讯

需要技术帮助吗?

访问我们的支持网站:

  • 在线获取对话专家的帮助。
  • 搜索论坛。
  • 访问软件,驱动程序,工具和实用程序。