- 雷电竞官网登录
- Power Management
- rayapp
- L竞技
- Sensors
- Lighting
- Custom Mixed-Signal ICs (ASICs)
- Power Conversion
- Power Switching
- Memory
- Silicon IP
- GreenPAK Configurable Mixed-Signal
- Timing
- Communications
- IO-Link
- Industrial and Automotive ASICs
- Industrial Edge Computing
- IOX Expansion Module
- IzoT Commissioning Tool (CT)
- IzoT Net Server
- IzoT SDK 2
- IzoT ShortStack SDK
- LNS DDE Server
- LON Upgrade
- LonScanner FX Protocol Analyzer
- Smart Edge Platform
- SmartServer IoT
- SmartServer IoT™ Partner Program
- SmartServer™ IoT Edge Server
- U10 USB Network Interface
- U20 USB Network Interface
- U60 DIN USB Expansion Modules
- U60 FT USB Network Interface Module
- U70 PL-20 USB Network Interface
- Current Control
- Motor Control
- Display
- Modules
- Longevity Program
- Product Selector
- Document Search
- 雷竞技安卓下载
- Application Solution Diagrams
- Connected Health
- Connected Consumer
- Connected rechargeable E-cigarette
- True Wireless Stereo
- USB Type-C ANC Headset
- Beacon, Tracker, Findable
- DECT Ambient Noise Cancellation (ANC) Headset
- Rechargeable E-Cigarette
- Game Controller
- Feature-rich Rechargeable E-Cigarette
- Rechargeable Game Controller
- Bluetooth ANC Headset
- Toothbrush
- Electric MP3 toothbrush
- Voice RCU
- Animal Tracker / Location Tracker
- POS Terminals
- Wall-to-Battery &直接充电
- Smart Home
- Smart Appliances
- Industrial & Infrastructure
- Smart Lighting
- Wearables
- Configurable Mixed-signal IC Solutions
- Smart Home
- Home Appliances
- Networking
- Automotive
- Industrial
- Smart Meters
- SoC PMIC Solutions
- Communications
- Connected Medical
- Transportation
- Application Solution Diagrams
- Support
- 雷电竞下载app
You are here
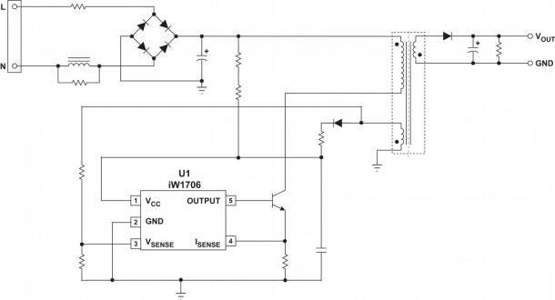
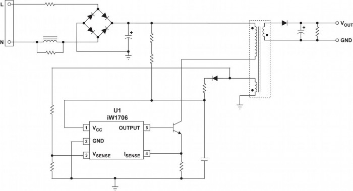
iW1706
iW1706
PrimAccurate™ Off-Line Digital PWM Controller in a SOT-23 Package
A team of engineers is ready to answer your questions
Optimized 72kHz max switching frequency
The iW1706 is a high performance AC/DC controller designed to drive an external power bipolar junction transistor (BJT) for peak current mode PWM flyback power supplies. Ideal for networking power supplies in applications such as ADSL modems and wireless access points, the iW1706 integrates a proprietary soft-start feature that allows for a smooth, yet fast start-up into capacitive loads between 330uF to 6000uF.
The iW1706 meets the US DoE’s external power supply standard and the EU’s Code of Conduct, version 5, tier 1 standard with no-load power consumption less than 100mW. As aPrimAccurate™controller, which use primary-side control algorithms, the iW1706 does not need any direct secondary-side feedback components, eliminating the need for optocouplers, reducing component count and solution cost. Additional features include Dialog's proprietaryEZ-EMI™technology, quasi-resonant control for optimal efficiency at heavy loads, cable and connector voltage drop compensation options, full protection from fault conditions and tiny packaging.
Features
- Meets Proposed Mandatory Federal Efficiency Standards for External Power Supplies1
- Adaptively Controlled Soft Start-up - Fast Yet Smooth Start-up Into Large Capacitive Loads
- Intrinsically Low Noise Solution - No Audible Noise Over Entire Operating Range
- 72kHz PWM Switching Frequency
- Easily Meets Energy-Star® AC/DC Power Supply Efficiency Specs (Rev 2.0)
- Less than 100mW No-Load Power Consumption
Features
- Voltage Offset Compensation for Voltage Loss in Cables and Connectors (3 Options)
- PrimAccurate™ - Primary-Side Control, No Opto-Coupler Needed
- Quasi-resonant Control for Optimal Efficiency
- EZ-EMI™ Design to Easily Meet Global EMI Specifications
- Fast Dynamic Load Regulation
- Fully Protected from Fault Conditions
- Over-Temperature Protection
- Output Over-Voltage and Over-Current
- Input Undervoltage Protection
- Sense-Resistor Short Circuit Protection
雷竞技安卓下载
- Networking Power Supplies
- ADSL Modems
- Wireless Access Points
Block Diagrams
Typical applications diagram
Functional block diagram
Resources
| Date | Version | |
|---|---|---|
| iW1706 Datasheet | 12/08/2019 | Rev. 1.2 |
| Date | Version | |
|---|---|---|
| What is Digital Power White Paper |
For technical support or information on how to buy, contact us directly.
Need technical help?
Visit our support web site to:
- Get help from Dialog experts online.
- Search the forums.
- Access software, drivers, tools & utilities.