iW656P

iW656P

USB电力输送3.0接口控制器

工程师组成的团队随时为您解答

支持USB电力输送3.0,高通®快速充电™4+和直接充电适配器

所述iW656P USB功率传输(USB PD)3.0接口控制器驻留在所述AC / DC电源的次级侧,并管理电源适配器和移动设备之间的通信。

该iW656P作品与Dialog的控制器(iW1791iW1797iW1799RapidCharge初级侧控制器和支持快速充电协议,包括USB PD 3.0,高通快速充电4+和直接充电。它传输通过光耦合器到初级侧,包括电压要求,输出电流限制,输出电压下冲,输出过电压的所有必要信息,以及故障和复位信号。

该iW656P还与Dialog的iW676同步整流,这消除了对平行肖特基二极管对更高的效率和更低的材料成本的需要。

对于集成电流检测USB PD 3.0接口控制器,请参阅iW657P

QUALCOMM®快速充电™是Qualcomm Technologies的产品,公司

特征

  • 支持多RapidCharge协议:
    • USB PD 3.0 PPS(可编程电源)
    • QUALCOMM®快速充电™4+
    • 直充
    • 其他RapidCharge协议
  • 与USB C型™1.2版本兼容
  • 支持从3.3至21V宽的输出电压范围
  • NMOS VBUS开关降低系统成本
  • VCONN支持智能电缆
  • 单光耦为所有快速充电信息
  • 低的无负载功耗<20毫瓦
  • 高效率高达90%

特征

  • 双层电缆保护:
    • 次级侧(iW656P):d + / D- / CC1 / CC2过压保护;可选的次级侧电流检测电路的过载故障保护
    • 一次侧(iW1791iW1797iW1799):先进的电缆故障保护降低了故障的平均输出功率
  • 自动AC取消插头检测
  • 保护手机电池造成的损害高压曝光,如果充电器被拔掉,然后重新插好电源将与充电线仍然连接

雷竞技安卓下载

  • USB PD 3.0 AC / DC电源适配器用于智能手机,平板电脑,笔记本电脑和其他移动设备
  • USB PD 3.0电源对于机顶盒,显示器,扬声器
  • USB PD 3.0在墙式插座
  • 灯和USB PD 3.0端口照明灯具

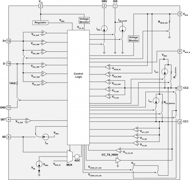
方框图

iW656P功能框图
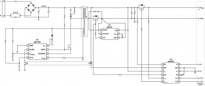
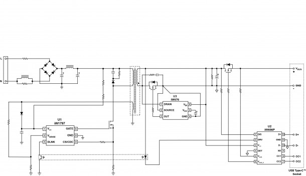
iW656P典型应用图雷竞技安卓下载

iW1797_iW656P典型应用图雷竞技安卓下载
iW1799_iW656P典型应用图雷竞技安卓下载

资源

产品简介和摘要
日期
iW656P产品概述 21/02/2019 1.0版

有关如何购买技术支持或信息,直接与我们联系。

索取样品联系我们注册简讯

需要技术帮助?

请访问我们的支持网站来:

  • 得到对话框专家在线帮助。
  • 在论坛中搜索。
  • Access软件,驱动程序,工具和实用程序。