你在这里
IW1818
IW1818
12W AccuSwitch™AC / DC数字初级侧切换器消除了光耦合器,并保持了出色的横向精度
一支工程师组织准备回答你的问题
72KHz集成800V BJT优化12VOUT
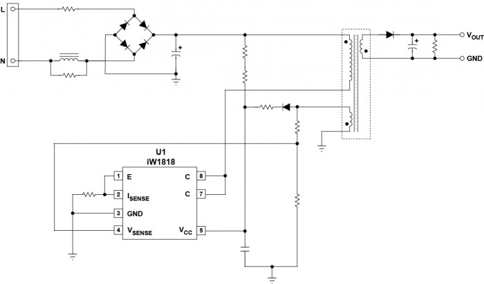
IW1818AccuSwitch™数字PWM转换器与800V BJT电源开关集成高度精确的控制电路,为直线电源转换提供完整的输出功率。
对话框primAccurate™初级侧数字控制算法消除了对易于光电耦合器的需求,并确保出色的横向精度,以实现更长的操作寿命,高性能和白色商品应用所需的成本降低。雷竞技安卓下载
该输出旨在平滑地启动到大电容器中,同时保持快速接通时间。它以准谐振模式运行,以优化效率并采用低功耗模式,实现<50mW的空载功耗以满足全球能效法规。附加功能包括从过度温度,过电压和过电流条件的完全保护以及EZ-EMI®.技术轻松符合全球EMI规范。
特征
- 10W - 12W输出功率
- AccuSwitch™- 集成800V电源BJT
- primAccurate™初级侧控制
- 不需要光电耦合器
- 智能数字控制回路,用于精确的电压交叉调节
- 符合全球能效标准
- <50MW无负载功耗
- 准谐振控制以获得最佳效率
特征
- 自适应控制的软启动
- 快速,平滑地启动到大型电容负载中
- EZ-EMI™设计轻松满足全球EMI规范
- 完全免受故障条件的影响:
- 过温保护
- 输出过电压和过电流
- 感测电阻短路保护应用
- 热高效的PDIP-7包,以支持高功率
框图
典型的应用程序图
功能框图
IW1818-eval评估板10W单输出电源
IW1818-eval评估板提供了用于开发10W单次输出电源的解决方案,用于白色商品,家电,工业控制设备和网络设备。它使用对话框的IW1818AccuSwitch™数字离线电源控制器IC和供应5V:2A使用初级控制,准谐振反激转换器的调节输出。
相关链接
资源
| 日期 | 版 | |
|---|---|---|
| IW1818产品摘要 | 2016/04/15. | Rev. 1.0. |
| 日期 | 版 | |
|---|---|---|
| IW1818-EVAL摘要 | 2016/05/18. | Rev. 1.0. |
需要技术帮助吗?
访问我们的支持网站:
- 在线获取对话专家的帮助。
- 搜索论坛。
- 访问软件,驱动程序,工具和实用程序。
