你在这里
IW1830
IW1830
15W AccuSwitch™AC / DC数字初级侧切换器消除了光耦合器,并保持了出色的横向精度
一支工程师组织准备回答你的问题
79KHZ集成700V功耗MOSFET针对12VOUT进行了优化
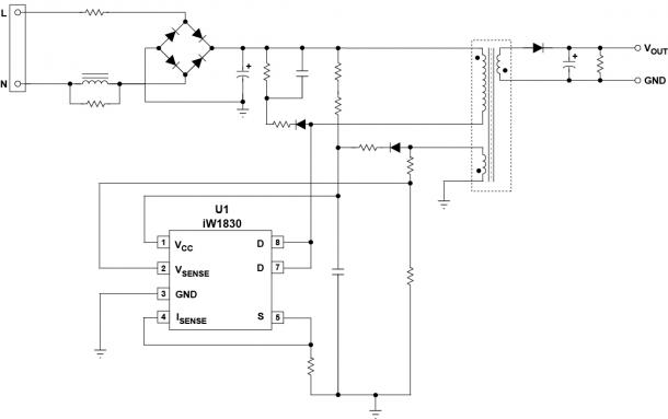
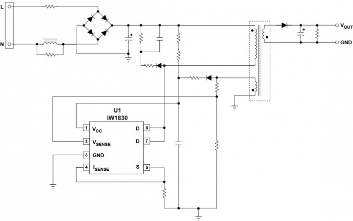
IW1830AccuSwitch™数字PWM转换器与700V功率MOSFET集成高度精确的控制电路,为直线电源转换提供完整的输出电源。
对话框primAccurate™初级侧数字控制算法消除了对易于光电耦合器的需求,并确保出色的横向精度,以实现更长的操作寿命,高性能和白色商品应用所需的成本降低。雷竞技安卓下载
该输出旨在平滑地启动到大电容器中,同时保持快速接通时间。它以准谐振模式运行,以优化效率并采用低功耗模式,实现<50mW的空载功耗以满足全球能效法规。附加功能包括从过度温度,过电压和过电流条件的完全保护以及EZ-EMI®.技术满足全球EMI规范。
产品特点
- 12W - 15W输出功率
- AccuSwitch™- 集成700V功率MOSFET
- primAccurate™初级侧控制
- 不需要光电耦合器
- 智能数字控制回路,用于精确的电压交叉调节
- 符合全球能效标准
- <50MW无负载功耗
- 准谐振控制以获得最佳效率
- 自适应控制的软启动
产品特点
- 快速,平滑地启动到大型电容负载中
- EZ-EMI™设计以满足全球EMI规范
- 完全免受故障条件的影响:
- 过温保护
- 输出过电压和过电流
- 感测电阻短路保护应用
- 热高效的PDIP-7包,以支持高功率
框图
典型的应用程序图
功能框图
IW1830-EVAL评估板为15W双输出电源
IW1830-EVAL评估板提供了用于开发15W双输出电源的解决方案,用于白色商品,家电,工业控制设备和网络设备。它使用对话框的IW1830AccuSwitch™数字离线电源控制器IC并提供两个输出,12V:1A和5V:0.5A,使用单一初级侧控制的准谐振反激式转换器。
IW1830-EVAL1 15W单输出电源的评估板
IW1830-eval1评估板提供了用于开发15W单输出电源的解决方案,用于白色商品,家电,工业控制设备和网络设备。它使用对话框的IW1830AccuSwitch™数字离线电源控制器IC和使用单一初级侧控制的准谐振反激式转换器提供5V:3A调节输出。
相关链接
资源
| 日期 | 版 | |
|---|---|---|
| IW1830产品摘要 | 2016/08/23. | Rev. 1.0. |
需要技术帮助吗?
访问我们的支持网站:
- 在线获取对话专家的帮助。
- 搜索论坛。
- 访问软件,驱动程序,工具和实用程序。
