iW7032

iW7032

不推荐用于新设计

一支工程师组织准备回答你的问题

不推荐用于新设计

32通道,内部电流下降120mA每通道

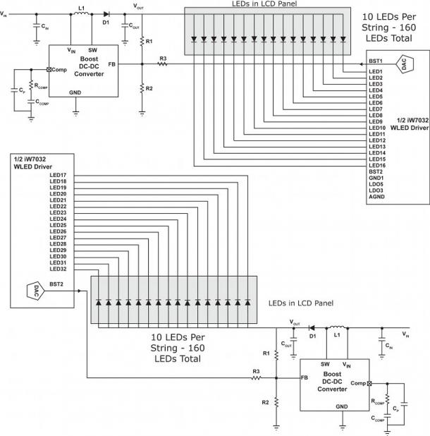
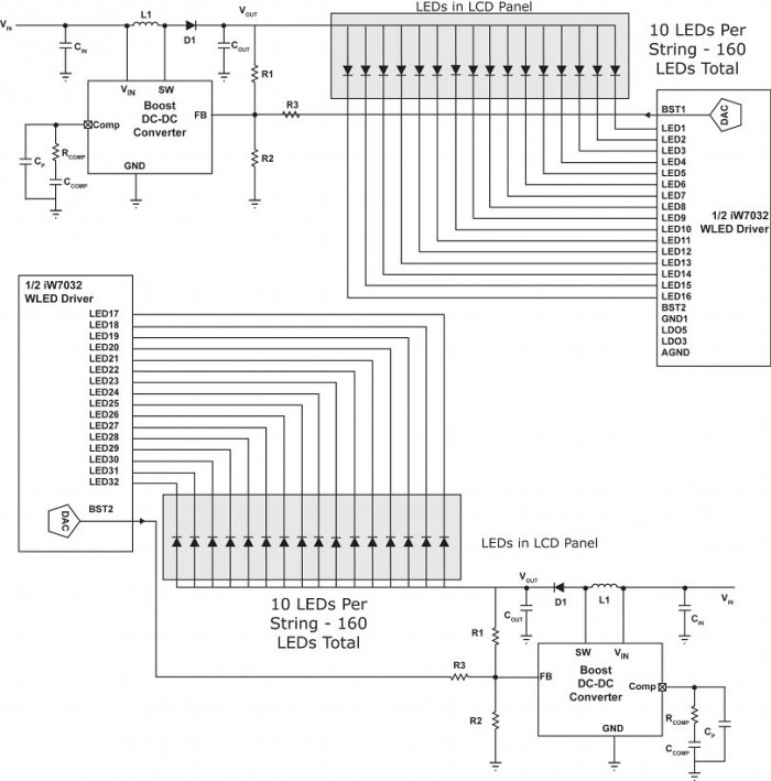
iW7032集成了32个开漏电流接收器、两个LDOs和两个外部DC/DC转换器(升压或降压)的数字控制,为液晶电视等应用中的LED背光提供了一个完整的解决方案。雷竞技安卓下载使用对话框的创新BroadLED™技术,IW7032维护通道到通道电流匹配优于2%并集成了对话的专有自适应开关技术,显着降低了LED背光应用中的功率损耗。雷竞技安卓下载

每个LED通道在自适应开关模式下可工作,最大平均电流为150mA,最大电流为240mA。iW7032提供对两个外部DC/DC转换器的直接控制,通过动态电压控制,选择DC/DC转换器输出的可能的最低电压,以保持通过LED串的最小的程序电流,而不浪费任何额外的能源。

此功能以及利用专有脉冲宽度调制(PWM)方案的自适应交换机技术,可以单独调节每个LED中的电流,以最小化电源损耗,同时保持通道到通道电流匹配,可实现液晶电视IW7032作为其背光控制器,以满足为HDTVS建立的严格能源星星标准。IW7032保护每个LED串在各种故障条件(如LED打开/短路)上逐个循环的基础,以最大化可靠性。IC本身免受过电压,超过温度和欠压锁定的故障,以确保正确启动和关闭。

特征

  • 32通道LED驱动器,56V的最大LED电压能够平均120mA,192mA峰值电流/通道
    • 120mA最大在调光模式下
    • 192mA在扫描模式下最大值和调光模式,具有60%的自适应开关模式
  • 专利的自适应开关模式LED驱动方案,以最大化信道效率
  • 2个控制器用于外部DC/DC转换器-独立的每个DC/DC的动态电压控制

特征

  • 高带宽控制和本地调光的SPI接口
  • LED亮度调光 - 本地,扫描和3D游戏模式
    • PWM调光范围 - 10位分辨率为1%至99.9%
    • PWM调光频率- NTSC - 100Hz到2.4kHz;PAL - 120Hz至2.4kHz;3D游戏- 96Hz到2.4kHz
  • LED故障保护-开路和短路-循环保护
  • 保护套,UVLO
  • 同步功能允许与其他IW70xx产品同步雷电竞官网登录

雷竞技安卓下载

  • Edgelit为LED TVS局部调光
  • 直接和分段边缘LED背光液晶电视
  • LCD公共信息显示

方框图

典型的应用程序图雷竞技安卓下载
原理框图

资源

数据表

如需技术支持或有关如何购买的信息,请直接联系我们。

请求样本联系我们注册时事通讯

需要技术帮助吗?

访问我们的支持网站:

  • 在网上寻求对话专家的帮助。
  • 搜索论坛。
  • 访问软件,驱动程序,工具和工具。