iW1762

iW1762

PrimAccurate™高性能N沟道MOSFET数字PWM控制器,用于网络适配器

工程师组成的团队随时为您解答

可选择的电缆降补偿

该iW1762是一种高性能的AC / DC控制器设计用于驱动用于峰值电流模式PWM反激式电源的外部电源的N沟道MOSFET。优化用于与15W- 24W之间的输出功率的电源,所述iW1762是在网络设备和显示器的理想的电源适配器。

该iW1762轻松满足美国能源部的外接电源标准和欧盟的行为准则,版本5,2级标准,具有空载功耗小于20mW的同时具有主动模式效率的要求遵守。作为一个PrimAccurate™iW1762不需要任何直接的二次反馈组件,消除了对光耦合器的需要,减少了组件的数量和解决方案的成本。其他特性包括Dialog的专有特性EZ-EMI™技术,自适应多模式PWM/PFM控制的最佳效率,在所有负载,5选择电缆和连接器电压降补偿电压,鲁棒运行,充分保护过电压和温度。

有关iW1762超极本™解决方案的信息,请参阅参考设计页面。

特征

  • 符合拟议的强制性联邦对外电源效率标准1
  • 符合能源之星®AC-DC电源能效规范(修订版2.0)
    • 低于50mW的空载功耗
  • 主动入门缩短开启时间而不影响空载功耗
  • 优化的输出功率范围为15W到24W
  • 空载运行电流300uA超低
  • 79kHz PWM开关频率
  • 用于电缆和连接器电压损失的可选电压偏移补偿(5个选项)
    • 可通过单电阻对地选择

特征

  • 主要端控制,不需要光耦
  • 固有的低噪声解决方案 - 无噪声在整个工作范围内
  • 自适应多模式PWM / PFM控制最佳效率在整个负载范围
  • EZ-EMI™设计能够轻松满足全球EMI指标
  • 快速动态负载调节
  • 完全保护从故障条件
    • 过电压/过温保护
    • 输出过电压和过电流
    • 输入欠压保护
    • 传感电阻短路保护

雷竞技安卓下载

  • 电源适配器用于网络设备和监视器
  • 家用电子产品中的交流/直流电源
  • 优化的通用输入电源(15W-24W)

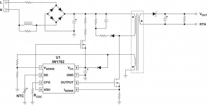
方框图

典型应用图雷竞技安卓下载
原理框图

资源

产品简介和摘要
日期
iW1762产品简短 19/06/2012 修订版0.6
白皮书和技术文章
日期
什么是数字电源白皮书

有关如何购买技术支持或信息,直接与我们联系。

索取样品联系我们注册简讯

需要技术帮助?

请访问我们的支持网站来:

  • 在网上寻求对话专家的帮助。
  • 搜索论坛。
  • 访问软件,驱动程序,工具和工具。