- 雷电竞官网登录
- Power Management
- rayapp
- L竞技
- Sensors
- Lighting
- Custom Mixed-Signal ICs (ASICs)
- Power Conversion
- Power Switching
- Memory
- Silicon IP
- GreenPAK Configurable Mixed-Signal
- Timing
- Communications
- IO-Link
- Industrial and Automotive ASICs
- Systems and Software
- IzoT Commissioning Tool (CT)
- IzoT Net Server
- IzoT SDK 2
- IzoT ShortStack SDK
- LNS DDE Server
- LON Upgrade
- LonScanner FX Protocol Analyzer
- Smart Edge Platform
- SmartServer IoT
- SmartServer IoT™ Partner Program
- SmartServer™ IoT Edge Server
- U10 USB Network Interface
- U20 USB Network Interface
- U60 DIN USB Expansion Modules
- U60 FT USB Network Interface Module
- U70 PL-20 USB Network Interface
- Current Control
- Motor Control
- Display
- Modules
- Longevity Program
- Product Selector
- Document Search
- 雷竞技安卓下载
- Application Solution Diagrams
- Connected Health
- Connected Consumer
- Connected rechargeable E-cigarette
- True Wireless Stereo
- USB Type-C ANC Headset
- Beacon, Tracker, Findable
- DECT Ambient Noise Cancellation (ANC) Headset
- Rechargeable E-Cigarette
- Game Controller
- Feature-rich Rechargeable E-Cigarette
- Rechargeable Game Controller
- Bluetooth ANC Headset
- Toothbrush
- Electric MP3 toothbrush
- Voice RCU
- Animal Tracker / Location Tracker
- POS Terminals
- Wall-to-Battery & Direct Charging
- Smart Home
- Smart Appliances
- Industrial & Infrastructure
- Smart Lighting
- Wearables
- Configurable Mixed-signal IC Solutions
- Smart Home
- Home Appliances
- Networking
- Automotive
- Industrial
- Smart Meters
- SoC PMIC Solutions
- Communications
- Connected Medical
- Transportation
- Application Solution Diagrams
- Support
- 雷电竞下载app
You are here
iW671
iW671
Digital Synchronous Rectifier Replaces Schottky Diode for Higher Efficiency, Ultra-Compact Offline Power Supplies
A team of engineers is ready to answer your questions
Not Recommended for New Designs - SeeiW673
Synchronous rectifier controller replaces schottky diode
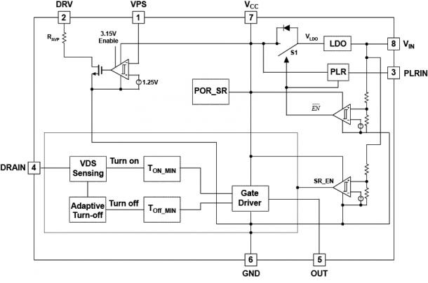
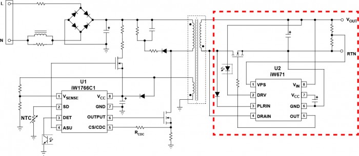
The iW671 secondary-side synchronous rectifier controller complements several of Dialog’s primary-side controllers to deliver the high efficiency needed for high power density power supplies and power adapters. The iW671 uses proprietary digital adaptive turn-off control technology to replace the secondary-side Schottky diode with a MOSFET for high power density power supplies. While conventional synchronous rectifier designs require the use of a Schottky diode in parallel with the synchronous rectifier to maintain efficiency, an inherently higher cost approach, the adaptive control in the iW671 minimizes dead-time and eliminates this need. More efficient than the diodes it replaces, the iW671 is also more efficient than conventional synchronous rectifiers.
With an integrated adaptive voltage monitor function, the iW671 works with the iW1766C1 primary-side PWM controller to enable the high power density needed for small form-factor power supplies with lower output ripple, ultra-low standby power and ultra-fast dynamic load response (DLR).
Features
- Eliminates Parallel Schottky Diode
- 更高的效率、更低的BOM成本
- Ultra-Fast Dynamic Load Response (DLR)
- Integrated Adaptive Voltage Position Monitor
- Ultra-Low No-Load Operating Current < 0.65mA
- Ultra-Low No-Load Standby Power
- <15mW (iW1766C1 + iW671)
Features
- Wide Input Voltage Range up to 30V
- Integrated, Optimized 5V MOSFET Gate Driver
- Integrated Pulse Linear Regulator for Operation Down to 2V Supply Voltage
- Works with iW1699, iW1699B, iW1760, iW760B, iW1766, iW1767
- iW1766C1, iW1787 Optimized to Work with iW671 for Lowest Output Ripple
雷竞技安卓下载
- iW1766C1+iW671: Compact power adapters for smartphones, media tablets
Block Diagrams
典型应用diag雷竞技安卓下载ram
Functional block diagram
Resources
| Date | Version | |
|---|---|---|
| iW671 Product Summary | 28/03/2017 | Rev. 1.2 |
For technical support or information on how to buy, contact us directly.
Need technical help?
Visit our support web site to:
- Get help from Dialog experts online.
- Search the forums.
- Access software, drivers, tools & utilities.