- 雷电竞官网登录
- Power Management
- rayapp
- L竞技
- Sensors
- 灯光
- Custom Mixed-Signal ICs (ASICs)
- Power Conversion
- Power Switching
- Memory
- Silicon IP
- GreenPAK Configurable Mixed-Signal
- 定时
- Communications
- IO-Link.
- Industrial and Automotive ASICs
- Industrial Edge Computing
- IOX扩展模块
- IzoT Commissioning Tool (CT)
- IzoT Net Server
- IzoT SDK 2
- izot shortstack sdk.
- LNS DDE Server
- Lon升级
- LonScanner FX Protocol Analyzer
- 智能边缘平台
- SmartServer IoT
- SmartServer IoT™合作伙伴计划
- SmartServer™ IoT Edge Server
- U10 USB网络接口
- U20 USB Network Interface
- U60 DIN USB Expansion Modules
- U60 FT USB网络接口模块
- U70 PL-20 USB Network Interface
- Current Control
- 电机控制
- Display
- 模块
- 长寿计划
- Product Selector
- Document Search
- 雷竞技安卓下载
- Application Solution Diagrams
- Smart Lighting
- Wearables
- Configurable Mixed-signal IC Solutions
- Smart Home
- 家用电器
- 联网
- 汽车
- Industrial
- Smart Meters
- SOC PMIC解决方案
- Communications
- Connected Medical
- Transportation
- Application Solution Diagrams
- 支持
- 雷电竞下载app
You are here
iW620
iW620
AC/DC Adapter Interface IC Compatible with Qualcomm® Quick Charge™ 2.0 Technology
不推荐用于新设计
A team of engineers is ready to answer your questions
不推荐用于新设计 - 见iW636
专有的初级次级通信技术
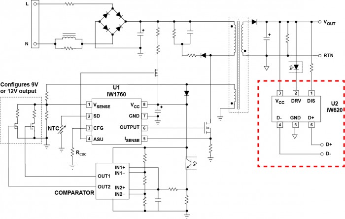
The iW620 is a Rapid Charge™, AC/DC adapter interface IC that resides on the secondary side of the AC/DC power supply and works with Dialog’s iW1760B(40W) and iW1699B(12W) primary-side digital PWM controllers to enable Qualcomm Quick Charge 2.0 technology-compliant power supplies for smartphones and tablets. Efficiency as high as 88% enables the higher power density needed for smaller form-factor fast charging adapters.
The Qualcomm Quick Charge 2.0 technology specification allows for voltage positioning of the output of the adapter in order to decrease the charge time by as much as 75% of current charging times. The iW620 ensures safe operation with programmable, patented active fast output voltage discharge from 9V or 12V down to 5V. So, when the USB cable is unplugged from a Qualcomm Quick Charge 2.0 technology-enabled phone and then used with a non-Quick Charge 2.0 phone, the iW620 rapidly discharges the output voltage down to 5V, to protect the phone from damage.
When operating at 5V, the iW620 enters a standby mode, drawing less than 120uA of current, allowing the overall solution to maintain less than 30mW of no-load power consumption.
IW620验证了UL。阅读IW620的UL验证证书。
Qualcomm® Quick Charge™ is a product of Qualcomm Technologies, Inc.
对于新的Qualcomm快速充电2.0设计,见iW626
Features
- 支持s Qualcomm® Quick Charge™ 2.0 Technology High Voltage Dedicated Charging Port (HVDCP) Class A Applications – 5V, 9V and 12V outputs.
- UL验证了
- 向后兼容USB电池充电规范修订版1.2(USB BC1.2)专用充电端口(DCP)
- <120mA的低通电电流
Features
- 宽输入电压范围 - 3V至25V
- Built-in opto-coupler driver with 2mA of drive capability
- 6引脚SOT-23封装
- 故障保护
- 销钉短路保护
- 浮销检测
雷竞技安卓下载
- 便携式电子设备的功率适配器。
- Qualcomm®QuickChark™2.0技术支持HVDCP的适配器。
框图
典型应用图雷竞技安卓下载
功能框图
资源
| 日期 | Version | |
|---|---|---|
| IW620产品摘要 | 12/05/2014 | Rev. 0.9 |
For technical support or information on how to buy, contact us directly.
Need technical help?
Visit our support web site to:
- 在线获取对话专家的帮助。
- 搜索论坛。
- 访问软件,驱动程序,工具和实用程序。