- 雷电竞官网登录
- Power Management
- rayapp
- L竞技
- Sensors
- 灯光
- Custom Mixed-Signal ICs (ASICs)
- Power Conversion
- Power Switching
- Memory
- Silicon IP
- GreenPAK Configurable Mixed-Signal
- 定时
- Communications
- IO-Link.
- Industrial and Automotive ASICs
- Industrial Edge Computing
- IOX扩展模块
- IzoT Commissioning Tool (CT)
- IzoT Net Server
- IzoT SDK 2
- izot shortstack sdk.
- LNS DDE Server
- LON Upgrade
- LonScanner FX Protocol Analyzer
- 智能边缘平台
- SmartServer IoT
- SmartServer IoT™合作伙伴计划
- SmartServer™ IoT Edge Server
- U10 USB网络接口
- U20 USB Network Interface
- U60 DIN USB Expansion Modules
- U60 FT USB网络接口模块
- U70 PL-20 USB Network Interface
- Current Control
- Motor Control
- Display
- Modules
- 长寿计划
- Product Selector
- Document Search
- 雷竞技安卓下载
- Application Solution Diagrams
- Smart Lighting
- Wearables
- Configurable Mixed-signal IC Solutions
- Smart Home
- 家用电器
- 联网
- 汽车
- Industrial
- Smart Meters
- SOC PMIC解决方案
- Communications
- Connected Medical
- Transportation
- Application Solution Diagrams
- Support
- 雷电竞下载app
You are here
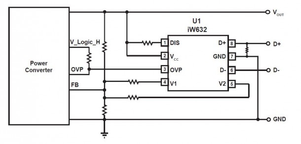
iW632
iW632
Dedicated Charging Port Controller for Qualcomm® Quick Charge™ 2.0 and Divider Mode
不推荐用于新设计
A team of engineers is ready to answer your questions
不推荐用于新设计
RapidCharge™专用充电端口控制器
The iW632 is aRapidCharge™Dedicated Charging Port (DCP) controller for Qualcomm® Quick ChargeTM 2.0 (QC2.0) technology, optional Samsung Adaptive Fast Charging (AFC) and divider mode USB interface. It allows rapid charging of QC2.0 or divider mode enabled mobile devices (MDs), and it automatically identifies QC2.0, AFC and divider mode protocols. The iW632 resides on the USB port of the power adapter and allows the adapter to be configured for multi-level output such as 5V, 9V, or 12V depending on the voltage requested by MD.
它可用于DC / DC功率转换器系统,以实现平稳的电压过渡和低负载功耗。IW632实现三个输出引脚,用于输出反馈比率,输出过电压和故障和复位信号。此外,IW632还实现了专有的D + / D-过电压保护(OVP)和专有的D型阻止检测,以解决输出电缆和连接器中的软短问题,这些电缆和连接器可以是穷人或宽松的连接电缆连接器和插座,USB连接器中的污染,或磨损电缆,并提供防止损坏的保护。
Features
- 支持Qualcomm®QC2.0高压专用充电端口(HVDCP)A类,电压配置为5V,9V和12V
- Supports divider mode with D+/D- at 2.7V/2.0V for 2.1A rapid charging
- Optionally supports Samsung Adaptive Fast Charging (AFC) for output voltage and current negotiation
- 向后兼容USB电池充电规范修订版1.2(USB BC1.2)DCP
- 向后兼容中文电信标准YD / T 1591-2009短路模式
- Automatically differentiates MDs and determines rapid charging protocols
Features
- Proprietary D+/D- OVP and proprietary D-impedance detection address soft short issues in the output cables and connectors and provides protection against damages
- 可编程主动快速放电,在MD拔下电源插块或从高电压电平,在内置开关或外部交换机请求时从高电压电平到较低级别
- Normally OFF state with <120μA cut-off current during 5V steady-state operation to achieve ultra-low power consumption at no load
- Wide operating voltage range from 3V to 25V
雷竞技安卓下载
- DC/DC converters/chargers for smart phones, tablets, and other mobile devices
资源
| 日期 | Version | |
|---|---|---|
| IW632产品摘要 | 23/11/2018 | Rev. 1.2 |
| 日期 | Version | |
|---|---|---|
| 认证:Qualcomm HVDCP接口规范修订版AG |
For technical support or information on how to buy, contact us directly.
Need technical help?
Visit our support web site to:
- Get help from Dialog experts online.
- 搜索论坛。
- 访问软件,驱动程序,工具和实用程序。