- 雷电竞官网登录
- Power Management
- rayapp
- L竞技
- Sensors
- Lighting
- Custom Mixed-Signal ICs (ASICs)
- Power Conversion
- Power Switching
- Memory
- Silicon IP
- GreenPAK Configurable Mixed-Signal
- Timing
- Communications
- IO-Link
- Industrial and Automotive ASICs
- Systems and Software
- IzoT Commissioning Tool (CT)
- IzoT Net Server
- IzoT SDK 2
- IzoT ShortStack SDK
- LNS DDE Server
- LON Upgrade
- LonScanner FX Protocol Analyzer
- Smart Edge Platform
- SmartServer IoT
- SmartServer IoT™ Partner Program
- SmartServer™ IoT Edge Server
- U10 USB Network Interface
- U20 USB Network Interface
- U60 DIN USB Expansion Modules
- U60 FT USB Network Interface Module
- U70 PL-20 USB Network Interface
- Current Control
- Motor Control
- Display
- Modules
- Longevity Program
- Product Selector
- Document Search
- 雷竞技安卓下载
- Application Solution Diagrams
- Connected Health
- Connected Consumer
- Connected rechargeable E-cigarette
- True Wireless Stereo
- USB Type-C ANC Headset
- Beacon, Tracker, Findable
- DECT Ambient Noise Cancellation (ANC) Headset
- Rechargeable E-Cigarette
- Game Controller
- Feature-rich Rechargeable E-Cigarette
- Rechargeable Game Controller
- Bluetooth ANC Headset
- Toothbrush
- Electric MP3 toothbrush
- Voice RCU
- Animal Tracker / Location Tracker
- POS Terminals
- Wall-to-Battery & Direct Charging
- Smart Home
- Smart Appliances
- Industrial & Infrastructure
- Smart Lighting
- Wearables
- Configurable Mixed-signal IC Solutions
- Smart Home
- Home Appliances
- Networking
- Automotive
- Industrial
- Smart Meters
- SoC PMIC Solutions
- Communications
- Connected Medical
- Transportation
- Application Solution Diagrams
- Support
- 雷电竞下载app
You are here
iW626
iW626
AC/DC Adapter Interface IC Compatible with Qualcomm® Quick Charge™ 2.0 Technology
Not Recommended for New Designs
A team of engineers is ready to answer your questions
Not Recommended for New Designs - SeeiW636
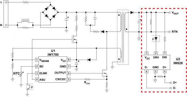
Qualcomm Quick Charge 2.0 solution companion to the iW1780
The iW626 is aRapid Charge™secondary-side interface and communication IC that works with the iW1780 primary-side AC/DC digital controller to enable a low-cost Qualcomm Quick Charge 2.0 compliant adapter solution for smartphone and tablet power supplies.
The iW626 integrates an opto-coupler driver that relays commands to the iW1780 AC/DC controller. The iW626+iW1780 chipset provides efficiency as high as 88% to enable the higher power density needed for small form-factor fast charging adapters. It also uses Dialog'sSmartDefender™smart hiccup technology to help address soft shorts in cables and connectors. Learn more about SmartDefender smart hiccup technologyhere.
The iW626 is UL verified. Read theUL Verification Certificatefor the iW626.
Qualcomm® Quick Charge™ is a product of Qualcomm Technologies, Inc.
Features
- Supports Qualcomm® Quick Charge™ 2.0 Technology High Voltage Dedicated Charging Port (HVDCP) Class A Applications – 5V, 9V and 12V outputs.
- UL Verified
- Backwards compatible with USB Battery Charging Specification Revision 1.2 (USB BC1.2) Dedicated Charging Port (DCP)
- Unique Secondary-Primary Communication Technology
- Relays Output Voltage Requests, Output Current Limits, Output Voltage Undershoot and Over-Voltage Protection
- Single Opto-Coupler Relays Information from iW626 (Secondary) to iW1780 (Primary)
Features
- Programmable Active Fast Discharge Switch
- Quickly Discharges VOUT from 9V/12V to 5V at Portable Device Unplug or Upon Request
- 10mW No-Load Standby Power Consumption at 5V Steady-State Operation
- 6-lead SOT-23 package
- Fault protection
- Pin-to-pin short circuit protection
- Floating pin detection
雷竞技安卓下载
- Rapid Charge™ power adapters for mobile electronics
- Qualcomm® Quick Charge™ 2.0 technology HVDCP Class A (5V, 9V, 12V) adapters
Block Diagrams
典型应用图雷竞技安卓下载
Functional block diagram
Resources
| Date | Version | |
|---|---|---|
| iW626 Product Summary | 23/11/2018 | Rev. 0.7 |
| Date | Version | |
|---|---|---|
| iW626+iW1780 Rapid Charge Chipset Brochure |
For technical support or information on how to buy, contact us directly.
Need technical help?
Visit our support web site to:
- Get help from Dialog experts online.
- Search the forums.
- Access software, drivers, tools & utilities.