- 雷电竞官网登录
- Power Management
- rayapp
- L竞技
- Sensors
- 灯光
- Custom Mixed-Signal ICs (ASICs)
- Power Conversion
- Power Switching
- Memory
- Silicon IP
- GreenPAK Configurable Mixed-Signal
- 定时
- Communications
- IO-Link.
- Industrial and Automotive ASICs
- Industrial Edge Computing
- IOX扩展模块
- IzoT Commissioning Tool (CT)
- IzoT Net Server
- IzoT SDK 2
- izot shortstack sdk.
- LNS DDE Server
- LON Upgrade
- LonScanner FX Protocol Analyzer
- 智能边缘平台
- SmartServer IoT
- SmartServer IoT™合作伙伴计划
- SmartServer™ IoT Edge Server
- U10 USB网络接口
- U20 USB Network Interface
- U60 DIN USB Expansion Modules
- U60 FT USB网络接口模块
- U70 PL-20 USB Network Interface
- Current Control
- 电机控制
- Display
- 模块
- 长寿计划
- Product Selector
- Document Search
- 雷竞技安卓下载
- Application Solution Diagrams
- Smart Lighting
- Wearables
- Configurable Mixed-signal IC Solutions
- Smart Home
- 家用电器
- 联网
- 汽车
- Industrial
- Smart Meters
- SOC PMIC解决方案
- Communications
- Connected Medical
- Transportation
- Application Solution Diagrams
- 支持
- 雷电竞下载app
You are here
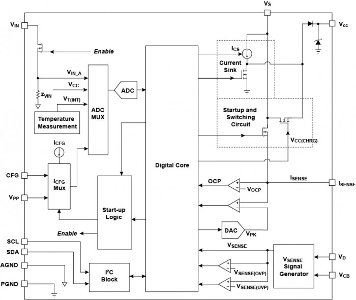
iW3690
iW3690
I2C-Control and TRIAC-Dimmable Offline LED Drivers for Smart Lighting Applications up to 25W
A team of engineers is ready to answer your questions
双重暗淡技术使墙体调光和数字调光在一个IC中
The iW3690 incorporates a digital serial control bus along with Dialog’s industry-leading digital phase-cut dimmer technology to enable intelligent LED luminaires that can be dimmed concurrently with TRIAC wall dimmers and wireless dimming protocols. Dialog’s dual-dim technology allows for a wide dimming range from 1% to 100% without flicker or shimmer, providing a high quality of light for applications up to 25W.
The iW3690 provides high efficiency, low THD and high Power Factor in a low total BOM cost solution. LED protection features include LED open and LED short protection, input over voltage and output over current protection and Dialog’s over-temperature protection derating. Learn more about OTP derating这里.
Features
- Dual-Dim Technology – I2C and TRIAC Dimming Concurrently
- Digital Link Dimming at Any Phase Conduction Angle
- Remote On/Off at Any Phase Conduction Angle
- Works with Bluetooth® and Other Wireless Protocols
- Works with Smart Sensors for Color and Proximity Sensing
- Dimming Range 1% To 100% Without Flicker or Shimmer
Features
- 25W最大输出功率能力
- 高PF(> 0.92)和低THD(<20%)
- Compatible with Low-Cost, Off-the-Shelf Inductors
- Resonant Control for High Efficiency (>85%)
- 高级保护功能
- Over-Temperature Protection Derating
- LED Open and Short Circuit Protection
- 交流线过电压保护
- 输出过流Protection
雷竞技安卓下载
- Dimmable Intelligent LED Lamps and Luminaires up to 25W
资源
| 日期 | Version | |
|---|---|---|
| IW3690产品摘要 | 29/04/2017 | Rev. 1.3 |
For technical support or information on how to buy, contact us directly.
Need technical help?
Visit our support web site to:
- 在线获取对话专家的帮助。
- 搜索论坛。
- 访问软件,驱动程序,工具和实用程序。