IW3622

IW3622

单级,45W,不可忽视的离线反激LED驱动器,具有高PF和低纹波

一支工程师组织准备回答你的问题

不可忽视的LED驱动器

IW3622在单级SSL LED驱动器中集成了高功率因数(PF),低输出纹波和低总谐波失真(THD),用于隔离和非隔离,高功率,无可调的LED替换灯泡和LED镇流器。

IW3622集成了独特的混合控制方案,可配置的可配置功率因数在> 0.7和> 0.95之间,以管理PF和LED输出电流纹波之间的折衷。这种独特的功能可实现低成本解决方案的高PF和低纹波。并且,通过使用MOSFET开关,该设备能够在最高可达45W的解决方案中驱动LED。IW3622通过合并对话框的专有来减少BOM成本和解决方案尺寸primAccurate™技术,消除了辅助侧调节器和光学反馈隔离器的需求。对话框的高级技术允许在小SOT23 6针封装中的8针部分的功能和性能。

用于降压(降压) - 为45W应用程序,请参阅雷竞技安卓下载IW3625

特征

  • 可配置的PF来管理PF与输出纹波之间的权衡
    • PF从> 0.7(较低的纹波)至> 0.95(更高的波纹)
  • 低THD <20%
  • SOT23 6针封装中的单级LED驱动器
    • 两个双功能引脚 - 允许在6针封装中的8引脚部件的功能
  • 适用于45W离线固态照明应用雷竞技安卓下载

特征

  • 用户可配置的LED通过温度保护降级
    • 适用于外部NTC或内部传感器
    • 可选温度阈值并达到百分比
    • 保持故障状态的光输出
    • 滞后允许平滑过渡恢复正常操作
  • 完全受保护
    • 过电压/过温保护
    • 输出过电压,过电流和短路
    • 打开LED故障检测
    • 感测电阻短路保护

雷竞技安卓下载

  • 固态照明
  • LED照明镇流器

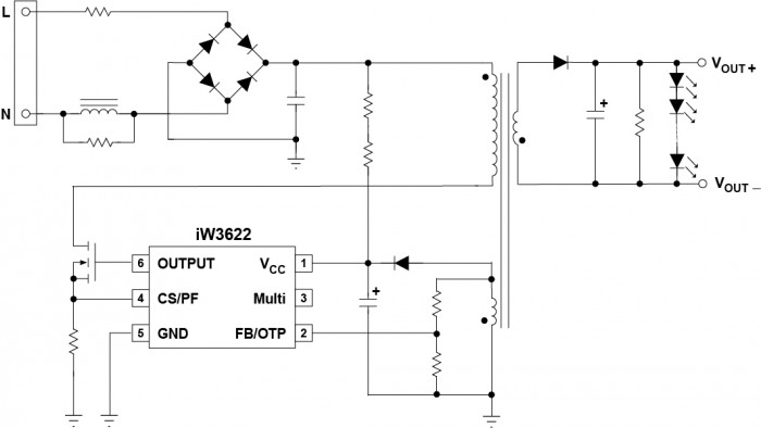
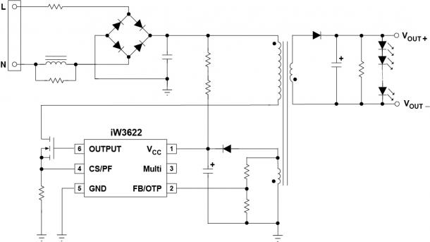
框图

典型的应用程序图雷竞技安卓下载
功能框图

资源

产品简介和摘要
日期
IW3622不可忽视的LED驱动程序产品摘要 07/02/2020 Rev. 1.0.

有关如何购买的技术支持或信息,请直接与我们联系。

请求样本联系我们注册时事通讯

需要技术帮助吗?

访问我们的支持网站:

  • 在线获取对话专家的帮助。
  • 搜索论坛。
  • 访问软件,驱动程序,工具和实用程序。