iW3602

iW3602

10W离线LED驱动可调固态照明,1.5级

一组工程师已经准备好回答你的问题

高性能控制器优化可调光LED灯具

设计成从100VAC至230VAC的宽输入电压范围内工作,该iW3602提供了3W-10W LED灯具的有效解决方案。结合对话框的专有无闪烁™技术方面,iW3602消除了LED闪烁,并允许使用行业范围最广的调光器。此外,iW3602合并了Dialog的专有特性PrimAccurate™主控技术,通过消除对传统光耦合器和外部补偿组件的需求,最大限度地减少外部组件的数量,降低解决方案的规模和成本。

所述iW3602集成了一个过温保护电路,其与外部NTC电阻作品到驱动降低到输出的LED被检测到过温度条件时,进行连续的光输出,同时保护整个LED驱动器电路。有关此重要保护功能的更多详细信息,请点击这里。

特性

  • PrimAccurate™ - 隔离离线AC / DC控制器
  • 集成了Dialog的无闪烁™技术 - 移除了LED闪烁
  • 理想的3W-10W离线LED应用雷竞技安卓下载
  • 频率为45Hz至66Hz电网频率范围 - 50Hz / 60Hz的兼容
  • 广泛的调光能力范围 - 前沿后沿R-C R-L,以及非传统R,和类型 - 调光器类型的自动检测
    • 1%到100%宽调光范围

特性

  • 自动检测并没有调光操作
  • 准谐振模式,最佳效率- 85%(无调光器)
  • 低10uA启动电流
  • 完全保护温度,感应电阻短路,LED开路和短路和过压条件
  • LED温度保护-外部NTC输入,减少驱动器到LED在温度过高的情况下

雷竞技安卓下载

  • 3W-10W固态照明应用雷竞技安卓下载
  • 调节亮度LED照明器

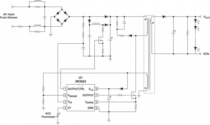
方框图

典型应用图雷竞技安卓下载
,
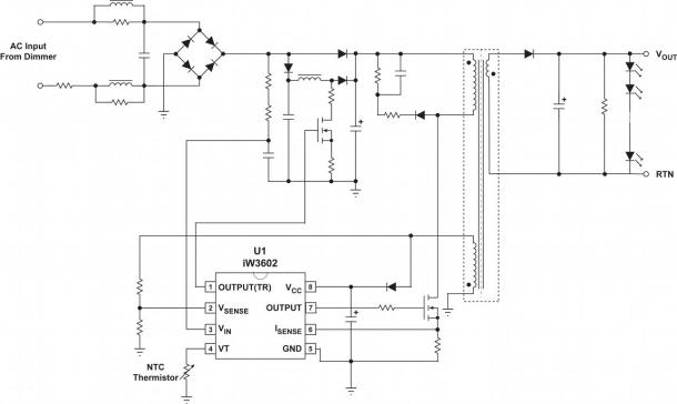
功能框图

资源

数据表
日期 版本
iW3602数据表 14/08/2015 启1.0
白皮书和技术文章
日期 版本
优化led灯泡的使用寿命
从无价的家庭记忆中删除LED闪烁
什么是数字权力白皮书

如需技术支持或有关如何购买的信息,请直接联系我们。

要求样品联系我们注册通讯

需要技术帮助吗?

请浏览我们的支援网页:

  • 在网上寻求对话专家的帮助。
  • 在论坛中搜索。
  • Access软件,驱动程序,工具和实用程序。