- 雷电竞官网登录
- Power Management
- rayapp
- L竞技
- Sensors
- Lighting
- Custom Mixed-Signal ICs (ASICs)
- Power Conversion
- Power Switching
- Memory
- Silicon IP
- GreenPAK Configurable Mixed-Signal
- Timing
- Communications
- IO-Link
- Industrial and Automotive ASICs
- Industrial Edge Computing
- IOX Expansion Module
- IzoT Commissioning Tool (CT)
- IzoT Net Server
- IzoT SDK 2
- IzoT ShortStack SDK
- LNS DDE Server
- LON Upgrade
- LonScanner FX Protocol Analyzer
- Smart Edge Platform
- SmartServer IoT
- SmartServer IoT™ Partner Program
- SmartServer™ IoT Edge Server
- U10 USB Network Interface
- U20 USB Network Interface
- U60 DIN USB Expansion Modules
- U60 FT USB Network Interface Module
- U70 PL-20 USB Network Interface
- Current Control
- Motor Control
- Display
- Modules
- Longevity Program
- Product Selector
- Document Search
- 雷竞技安卓下载
- Application Solution Diagrams
- Connected Health
- Connected Consumer
- Connected rechargeable E-cigarette
- True Wireless Stereo
- USB Type-C ANC Headset
- Beacon, Tracker, Findable
- DECT Ambient Noise Cancellation (ANC) Headset
- Rechargeable E-Cigarette
- Game Controller
- Feature-rich Rechargeable E-Cigarette
- Rechargeable Game Controller
- Bluetooth ANC Headset
- Toothbrush
- Electric MP3 toothbrush
- Voice RCU
- Animal Tracker / Location Tracker
- POS Terminals
- Wall-to-Battery & Direct Charging
- Smart Home
- Smart Appliances
- Industrial & Infrastructure
- Smart Lighting
- Wearables
- Configurable Mixed-signal IC Solutions
- Smart Home
- Home Appliances
- Networking
- Automotive
- Industrial
- Smart Meters
- SoC PMIC Solutions
- Communications
- Connected Medical
- Transportation
- Application Solution Diagrams
- 支持
- 雷电竞下载app
You are here
iW3629
iW3629
Flickerless™ Two-Stage Non-Dimmable Digital AC/DC SSL LED Driver for Commercial Lighting up to 120W
A team of engineers is ready to answer your questions
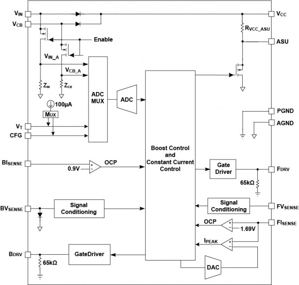
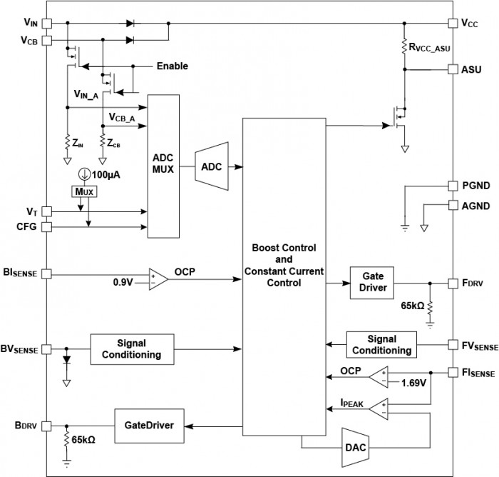
Two-stage non-dimmable LED Driver
The iW3629 two-stage, non-dimmable LED driver is a digital offline PWM controller for solid state lighting applications up to 120W with high power factor (PF > 0.95) and low THD (< 10%).
The two-stage approach allows the first-stage boost converter to convert the rectified AC voltage (90VAC to 277VAC) to an intermediate voltage while correcting for power factor. The second-stage flyback converter then provides the constant current regulation to the LEDs. The combination of an active start-up circuit and fast yet smooth soft-start for both boost and flyback stages results in a start-up time (AC plug-in to 90% of set LED current) of less than a half second and fast PF settling time.
The iW3629 operates in a quasi-resonant mode to provide high efficiency and uses Dialog’sPrimAccurate™advanced primary-side sensing technology to achieve excellent line and load regulation without secondary-feedback components. And, by using Dialog’sFlickerless™technology, virtually all flicker is removed from the output. The digital control algorithms used by the iW3629 maintain stability over all operating conditions without the need for any external loop compensation components, minimizing the BOM cost.
Features
- Up to 120W Output Power
- High PF (> 0.95) and Low THD (< 10%) Over Entire Input Voltage Range and 50-100% Load Current Range
- Flickerless™ Technology
- Eliminates Virtually All LED Flicker
- < 5% Line Frequency Ripple on the Output Current
- Fast Start-up Time < 0.5
Features
- Fully Protected
- LED Open/Short Circuit Protection
- Single Fault Protection
- Current Sense Resistor Short Protection
- Input Over-Voltage and Brown-Out Protection
- Over-Temperature Derating Protection with External NTC
雷竞技安卓下载
- Non-Dimmable LED Lamps and Luminaires
- External Lighting Ballast Drivers
Block Diagrams
Block Diagram
Applications Diagram
Related Links
Resources
| Date | Version | |
|---|---|---|
| iW3629 Product Summary | 23/08/2017 | Rev. 1.1 |
For technical support or information on how to buy, contact us directly.
Need technical help?
Visit our support web site to:
- Get help from Dialog experts online.
- Search the forums.
- Access software, drivers, tools & utilities.