你在这里
利用I2C实现通信MUX
利用I2C实现通信MUX
通信协议的应用
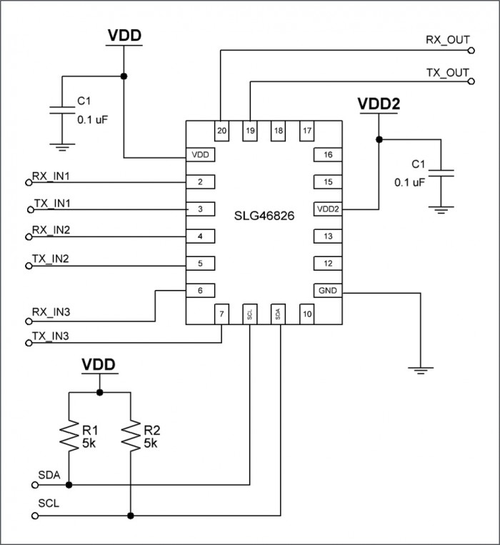
GreenPAK图

设计步骤
- 配置一个1:3多路分配器与LUT中分享来自MCU的TX信号,发送到外部UART端口。
- 配置3:1多路复用器的LUT与从外部UART端口到MCU接收的RX信号。
- 使用我2C选择的输入端口。
资源
GreenPAK设计文件
- 利用I2C实现通信MUX(4.81 KB)
通信协议的应用
